T2391R Ch= 22T20/10L20
Zenith Radio Corp.; Chicago, IL
- Country
- United States of America (USA)
- Manufacturer / Brand
- Zenith Radio Corp.; Chicago, IL
- Year
- 1956 ?
- Category
- Television Receiver (TV) or Monitor
- Radiomuseum.org ID
- 336683
-
- alternative name: Chicago Radio Lab
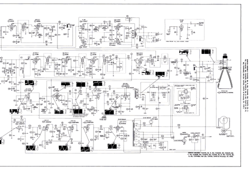
Click on the schematic thumbnail to request the schematic as a free document.
- Number of Tubes
- 22
- Valves / Tubes
- 6BK7A 6U8 6CB6 6CB6 6CB6 12BY7 12AX7 6AU6 6BN6 12AX7 6AQ5 6AQ5 6BE6 6BX7GT 6AQ7GT 6SN7GTA 6CD6G 6AX4GT 1B3GT 5U4GA 5U4GA 21ACP4A
- Main principle
- Superhet with RF-stage
- Wave bands
- Wave Bands given in the notes.
- Power type and voltage
- Alternating Current supply (AC) / 60 Hz, 117V = 110 -120 Volt
- Loudspeaker
- 2 Loudspeakers
- Material
- Wooden case
- from Radiomuseum.org
- Model: T2391R Ch= 22T20/10L20 - Zenith Radio Corp.; Chicago,
- Shape
- Console, Lowboy (legs < 50 %).
- Notes
-
Zenith model T2391R is a 21” b/w TV with US standard VHF tuner channels 2 thru 13.
Equipped with chassis 22T20/10L20, VHF tuner S21700 and picture tube 21ACP4A.
- Literature/Schematics (1)
- Photofact Folder, Howard W. SAMS (Set 307 Folder 17 dated 2-56)
- Author
- Model page created by Dirk Taekels. See "Data change" for further contributors.
- Other Models
-
Here you find 4519 models, 4111 with images and 3656 with schematics for wireless sets etc. In French: TSF for Télégraphie sans fil.
All listed radios etc. from Zenith Radio Corp.; Chicago, IL