The Nottingham K1815E Ch= 19K22
Zenith Radio Corp.; Chicago, IL
- Land
- USA
- Hersteller / Marke
- Zenith Radio Corp.; Chicago, IL
- Jahr
- 1952 ?
- Kategorie
- Fernseh-Empfänger/Monitor
- Radiomuseum.org ID
- 342869
-
- anderer Name: Chicago Radio Lab
Klicken Sie auf den Schaltplanausschnitt, um diesen kostenlos als Dokument anzufordern.
- Anzahl Röhren
- 19
- Röhren
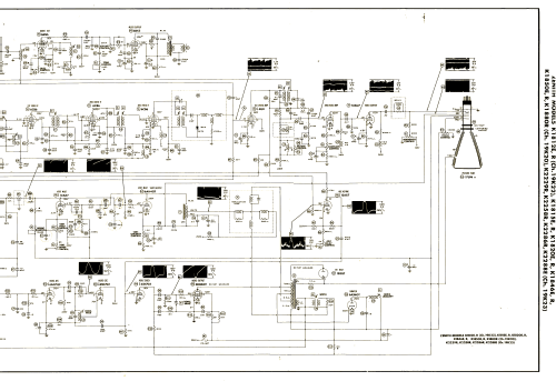
- 6BK7 6U8 6CB6 6CB6 6CB6 6U8 12AU7 12AX7 6BN6 6BK5 6BE6 6AH4GT 6AQ7GT 6SN7GT 6BQ6GT 6AX4GT 1B3GT 5U4G 17LP4
- Datumskonflikt
- Das Modell-Datum widerspricht Röhren-Daten [ 6U8 (1953)]
- Hauptprinzip
- Super mit HF-Vorstufe
- Wellenbereiche
- VHF/UHF (siehe Bemerkungen)
- Betriebsart / Volt
- Wechselstromspeisung / 60Hz, 117V=110-120 Volt
- Lautsprecher
- Dynamischer LS, keine Erregerspule (permanentdynamisch) / Ø 10 inch = 25.4 cm
- Material
- Plastikgehäuse (nicht Bakelit), Thermoplast
- von Radiomuseum.org
- Modell: The Nottingham K1815E Ch= 19K22 - Zenith Radio Corp.; Chicago,
- Form
- Tischmodell, Zusatz nicht bekannt - allgemein.
- Abmessungen (BHT)
- 18.94 x 17.25 x 17.625 inch / 481 x 438 x 448 mm
- Bemerkung
-
Zenith model K1815E is a 17” b/w TV with US standard VHF tuner channels 2 thru 13. Equipped with chassis 19K22, VHF tuner S-18770 and picture tube 17LP4.
Finish: Blonde-color Pyrolex covering. Blends with leather furnishings, Also in Mahogany-color available as Model Zenith The Nottingham K1815R
- Literaturnachweis
- -- Original prospect or advert (One day you will own a Zenith TV 1952)
- Literatur/Schema (1)
- Photofact Folder, Howard W. SAMS (Set 184, folder 15, dated 11-52)
- Autor
- Modellseite von Franz Scharner angelegt. Siehe bei "Änderungsvorschlag" für weitere Mitarbeit.
- Weitere Modelle
-
Hier finden Sie 4519 Modelle, davon 4111 mit Bildern und 3656 mit Schaltbildern.
Alle gelisteten Radios usw. von Zenith Radio Corp.; Chicago, IL