X2222RU Ch= 17X20U
Zenith Radio Corp.; Chicago, IL
- País
- Estados Unidos
- Fabricante / Marca
- Zenith Radio Corp.; Chicago, IL
- Año
- 1955/1956
- Categoría
- Televisión (TV) o monitor
- Radiomuseum.org ID
- 296437
-
- alternative name: Chicago Radio Lab
Haga clic en la miniatura esquemática para solicitarlo como documento gratuito.
- Numero de valvulas
- 18
- Válvulas
- 6BK7A 6U8 6AF4A 6CB6 6CB6 6AU8 6AU8 6BN6 6AQ5 6BY6 12B4A 6AL5 6SN7GTB 6BQ6GT 6AX4GT 1B3GT 5U4GA 21ALP4 or 21ALP4A
- Principio principal
- Superheterodino con paso previo de RF
- Gama de ondas
- VHF/UHF (see notes for details)
- Tensión de funcionamiento
- Red: Corriente alterna (CA, Inglés = AC) / 60 cycle 110-120 Volt
- Altavoz
- Altavoz dinámico (de imán permanente) / Ø 4 inch = 10.2 cm
- de Radiomuseum.org
- Modelo: X2222RU Ch= 17X20U - Zenith Radio Corp.; Chicago,
- Anotaciones
-
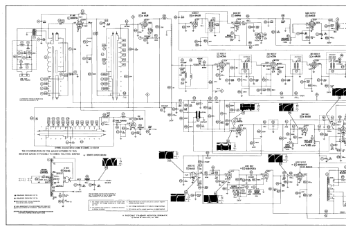
The ZENITH model X2222RU is a 21" b/w TV with US standard VHF Tuner channels 2 thru 13, 14 thru 83 UHF. Equipped with VHF-tuner S-22779, UHF-tuner S-22790, chassis 17X20U and picture tube 21ALP4 or 21ALP4A.
- Documentación / Esquemas (1)
- Photofact Folder, Howard W. SAMS (Set 306 Folder 14 dated 2-56)
- Documentación / Esquemas (2)
- Zenith Service Manual - 1956 Television Receivers TV-15
- Autor
- Modelo creado por John Kusching. Ver en "Modificar Ficha" los participantes posteriores.
- Otros modelos
-
Donde encontrará 4517 modelos, 4109 con imágenes y 3654 con esquemas.
Ir al listado general de Zenith Radio Corp.; Chicago, IL