X228W Ch= 4NT23Z2
Zenith Radio Corp.; Chicago, IL
- Pays
- Etats-Unis
- Fabricant / Marque
- Zenith Radio Corp.; Chicago, IL
- Année
- 1968 ?
- Catégorie
- Radio - ou tuner d'après la guerre 1939-45
- Radiomuseum.org ID
- 219101
-
- alternative name: Chicago Radio Lab
Cliquez sur la vignette du schéma pour le demander en tant que document gratuit.
- No. de transistors
- 4
- Semi-conducteurs
- Principe général
- Super hétérodyne (en général); FI/IF 455 kHz; 2 Etage(s) BF
- Circuits accordés
- 4 Circuits MA (AM)
- Gammes d'ondes
- PO uniquement
- Tension / type courant
- Alimentation Courant Alternatif (CA) / 120 Volt
- Haut-parleur
- HP dynamique à aimant permanent + bobine mobile / Ø 3.5 inch = 8.9 cm
- Puissance de sortie
- 1 W (qualité inconnue)
- Matière
- Plastique moderne (pas de bakélite, ni de catalin)
- De Radiomuseum.org
- Modèle: X228W Ch= 4NT23Z2 - Zenith Radio Corp.; Chicago,
- Forme
- Modèle de table sans poussoirs, modèle cheminée
- Remarques
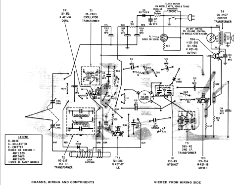
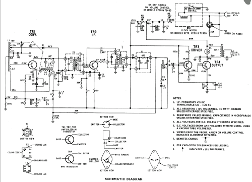
- The Zenith model X228W is an AC operated 4 transistor AM radio. AM Tuning Range: 540 to 1600 KHz.
- Schémathèque (1)
- - - Manufacturers Literature (Zenith Datasheet 107-1166)
- Auteur
- Modèle crée par John Kusching. Voir les propositions de modification pour les contributeurs supplémentaires.
- D'autres Modèles
-
Vous pourrez trouver sous ce lien 4517 modèles d'appareils, 4109 avec des images et 3653 avec des schémas.
Tous les appareils de Zenith Radio Corp.; Chicago, IL