X2365EQ Ch= 22X20Q
Zenith Radio Corp.; Chicago, IL
- Country
- United States of America (USA)
- Manufacturer / Brand
- Zenith Radio Corp.; Chicago, IL
- Year
- 1955/1956
- Category
- Television Receiver (TV) or Monitor
- Radiomuseum.org ID
- 296600
-
- alternative name: Chicago Radio Lab
Click on the schematic thumbnail to request the schematic as a free document.
- Number of Tubes
- 25
- Valves / Tubes
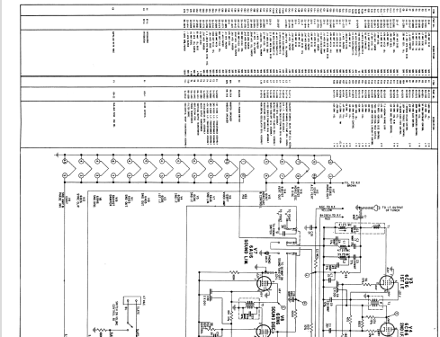
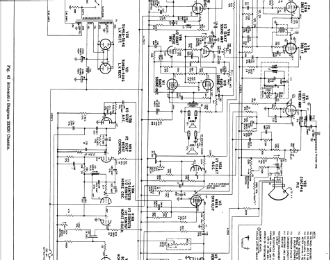
- 6BK7A 6U8 6CB6 6CB6 6CB6 12BY7 6AU6 6BN6 12AX7 6AQ5 6AQ5 12AX7 6BE6 6BX7GT 6CN7 6SN7GTB or 6SN7GT 6CD6G 1B3GT 6AX4GT 5U4GA or 5U4G 5U4GA or 5U4G 21ACP4A 2D21 2D21 6BX7GT
- Main principle
- Superhet with RF-stage
- Wave bands
- VHF incl. FM and/or UHF (see notes for details)
- Power type and voltage
- Alternating Current supply (AC) / 60Hz, 110-120 Volt
- Loudspeaker
- Permanent Magnet Dynamic (PDyn) Loudspeaker (moving coil)
- from Radiomuseum.org
- Model: X2365EQ Ch= 22X20Q - Zenith Radio Corp.; Chicago,
- Notes
-
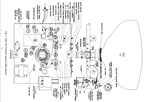
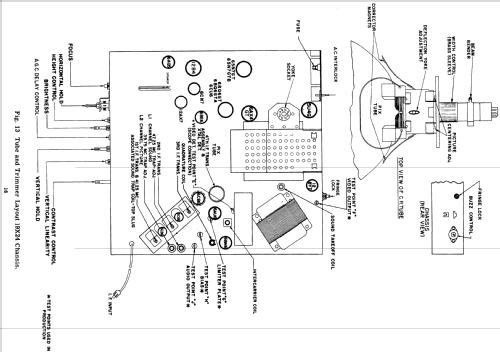
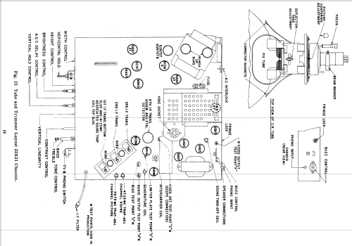
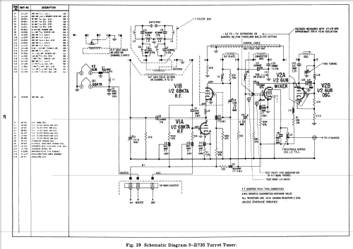
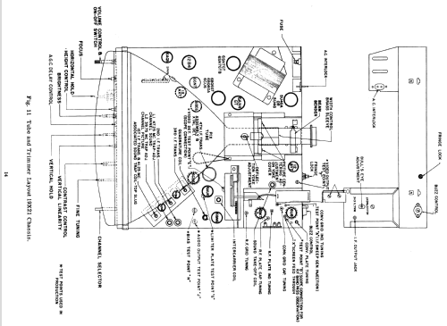
The ZENITH model X2365EQ is a 21" b/w TV with US standard VHF Tuner channels 2 thru 13. Equipped with VHF-tuner S-21735, chassis 22X20 and picture tube 21ACP4A.
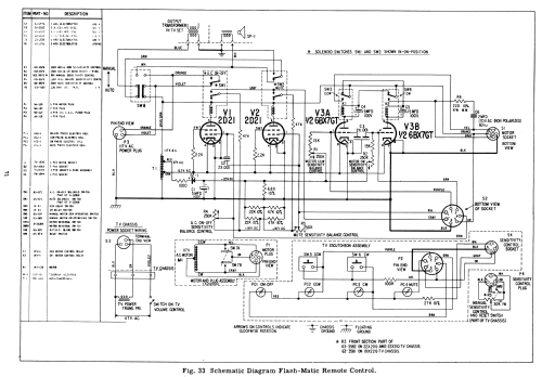
The "Q" in the model and chassis number indicates that this model also contains the "Flash-Matic" Remote Control (S-22980). The S-22980 unit has tubes 2D21, 2D21 and 6BX7GT.
- Literature/Schematics (1)
- Photofact Folder, Howard W. SAMS (Set 314 Folder 12 Dated 4/56)
- Literature/Schematics (2)
- Zenith Service Manual - 1956 Television Receivers TV-15
- Author
- Model page created by John Kusching. See "Data change" for further contributors.
- Other Models
-
Here you find 4519 models, 4111 with images and 3656 with schematics for wireless sets etc. In French: TSF for Télégraphie sans fil.
All listed radios etc. from Zenith Radio Corp.; Chicago, IL