Y2229RU Ch= 19Y22U
Zenith Radio Corp.; Chicago, IL
- Pays
- Etats-Unis
- Fabricant / Marque
- Zenith Radio Corp.; Chicago, IL
- Année
- 1956
- Catégorie
- Récepteur de télévision ou moniteur
- Radiomuseum.org ID
- 278053
-
- alternative name: Chicago Radio Lab
Cliquez sur la vignette du schéma pour le demander en tant que document gratuit.
- No. de tubes
- 20
- Lampes / Tubes
- 6BK7A 6AF4A 6U8 6CB6 6CB6 6CB6 12BY7 12AX7 6AU6 6BN6 6AQ5 6BE6 12B4A 6CN7 6SN7GTB 6BQ6GA 6AX4GT 1B3GT 5U4GA 21ALP4B
- Principe général
- Super hétérodyne avec étage HF
- Gammes d'ondes
- VHF/UHF (voir details en note)
- Tension / type courant
- Alimentation Courant Alternatif (CA) / 60 cycles, 110-120 Volt
- Haut-parleur
- HP dynamique à aimant permanent + bobine mobile / Ø 5.25 inch = 13.3 cm
- Matière
- Boitier en bois
- De Radiomuseum.org
- Modèle: Y2229RU Ch= 19Y22U - Zenith Radio Corp.; Chicago,
- Forme
- Console avec pieds bas < 50% de la hauteur
- Remarques
-
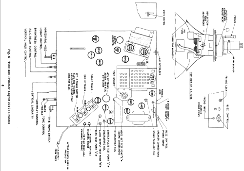
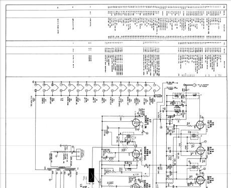
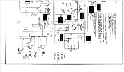
The ZENITH model Y2229RU is a 21" b/w TV with US standard VHF Tuner channels 2 thru 13, 14 thru 83 UHF.Equipped with VHF tuner S-23113, UHF-tuner S-23115, chassis 19Y22U and picture tube 21ALP4B.
- Schémathèque (1)
- Photofact Folder, Howard W. SAMS (Set 334 Folder 13 dated 10-56)
- Schémathèque (2)
- Zenith Service Manual - 1956 Television Receivers TV-16
- Auteur
- Modèle crée par Dirk Taekels. Voir les propositions de modification pour les contributeurs supplémentaires.
- D'autres Modèles
-
Vous pourrez trouver sous ce lien 4517 modèles d'appareils, 4109 avec des images et 3653 avec des schémas.
Tous les appareils de Zenith Radio Corp.; Chicago, IL