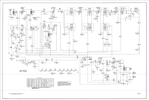
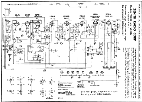
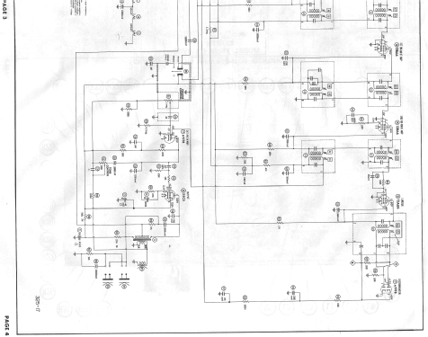
Y832E Ch= 8Y02Z
Zenith Radio Corp.; Chicago, IL
- Land
- USA
- Hersteller / Marke
- Zenith Radio Corp.; Chicago, IL
- Jahr
- 1957 ?
- Kategorie
- Rundfunkempfänger (Radio - oder Tuner nach WW2)
- Radiomuseum.org ID
- 82354
- 
        - anderer Name: Chicago Radio Lab
 
Klicken Sie auf den Schaltplanausschnitt, um diesen kostenlos als Dokument anzufordern.
- Anzahl Röhren
- 8
- Hauptprinzip
- Super mit HF-Vorstufe; ZF/IF 455/10700 kHz; 2 NF-Stufe(n)
- Wellenbereiche
- Mittelwelle und UKW (FM).
- Betriebsart / Volt
- Allstromgerät / 117V = 110 -120 Volt
- Lautsprecher
- 3 Lautsprecher / Ø 6 inch = 15.2 cm
- Material
- Gerät mit Holzgehäuse
- von Radiomuseum.org
- Modell: Y832E Ch= 8Y02Z - Zenith Radio Corp.; Chicago,
- Form
- Tischmodell, Zusatz nicht bekannt - allgemein.
- Abmessungen (BHT)
- 15.5 x 10 x 8 inch / 394 x 254 x 203 mm
- Bemerkung
- Beitman R-16 shows the same schematic for Zenith model Y832E and Y832R - with chassis 8Y02 - but there is also this revised chassis 8Y02Z: See also Sam´s 325-17. Zenith Models Y832E and Y832R are essentially the same radios as the Y825. The main differences between the Y825 and the Y832 are that the Y825 is a bakelite case and the Y832 is a wooden case. The Y825 does not have the tweeter speakers like the Y832, but one can use the same schematic to service a Y825. They have an RF stage and for AM 6 IF circuits. Selenium Rectifier. Two electrostatic tweeters.
- Schaltungsnachweis
- Beitman Radio Diagrams Vol. 16, 1956
- Literaturnachweis
- Collector's Guide to Antique Radios (6th edition)
- Literatur/Schema (1)
- Photofact Folder, Howard W. SAMS (Set 325 Folder17 dated 8-56)
- Autor
- Modellseite von Egon Penker angelegt. Siehe bei "Änderungsvorschlag" für weitere Mitarbeit.
- Weitere Modelle
- 
        Hier finden Sie 4519 Modelle, davon 4111 mit Bildern und 3656 mit Schaltbildern. 
 Alle gelisteten Radios usw. von Zenith Radio Corp.; Chicago, IL
Sammlungen
Das Modell Y832E befindet sich in den Sammlungen folgender Mitglieder.
 
                
                
                
                
                
                
                
                
                
                
                
                
                
                
                
                
                
                
                
                
                
                
               