Z2222R Ch= 17Z21
Zenith Radio Corp.; Chicago, IL
- Country
- United States of America (USA)
- Manufacturer / Brand
- Zenith Radio Corp.; Chicago, IL
- Year
- 1956/1957
- Category
- Television Receiver (TV) or Monitor
- Radiomuseum.org ID
- 261478
-
- alternative name: Chicago Radio Lab
Click on the schematic thumbnail to request the schematic as a free document.
- Number of Tubes
- 17
- Valves / Tubes
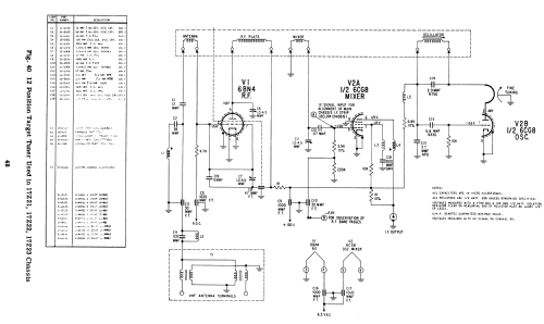
- 6BK7A 6U8 3CB6 3CB6 3CB6 6AU8 3BN6 6AQ5 6BU8 6CM7 6CN7 6CG7 6DQ6 1B3GT 6AX4GT or 6AX4GTA 5U4GA or 5U4GB 21ALP4A
- Main principle
- Superhet with RF-stage
- Wave bands
- VHF incl. FM and/or UHF (see notes for details)
- Power type and voltage
- Alternating Current supply (AC) / 60 cycles, 110-120 Volt
- Loudspeaker
- Permanent Magnet Dynamic (PDyn) Loudspeaker (moving coil)
- Power out
- 1.3 W (1.6 W max.)
- from Radiomuseum.org
- Model: Z2222R Ch= 17Z21 - Zenith Radio Corp.; Chicago,
- Notes
-
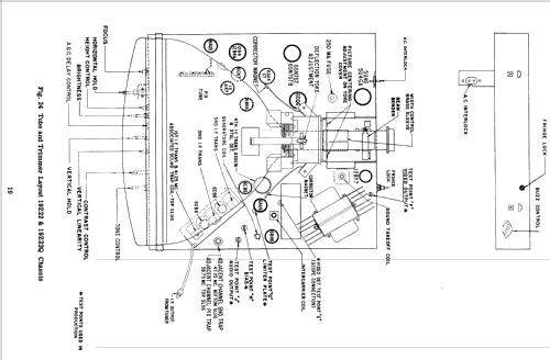
The Zenith Z2222R is a 21" b/w TV with US standard VHF Tuner channels 2 thru 13. Equipped with chassis 17Z21 and picture tube 21ALP4A.
- Literature/Schematics (1)
- Photofact Folder, Howard W. SAMS (Set 343, folder 18 dated 1-57)
- Literature/Schematics (2)
- - - Manufacturers Literature (Zenith 1957 Television Receivers Service Manual TV-17 Dated 5-29-56)
- Author
- Model page created by John Kusching. See "Data change" for further contributors.
- Other Models
-
Here you find 4519 models, 4111 with images and 3656 with schematics for wireless sets etc. In French: TSF for Télégraphie sans fil.
All listed radios etc. from Zenith Radio Corp.; Chicago, IL