• Année
  • 1956/1957
  • Catégorie
  • Récepteur de télévision ou moniteur
  • Radiomuseum.org ID
  • 270787
    • alternative name: Chicago Radio Lab

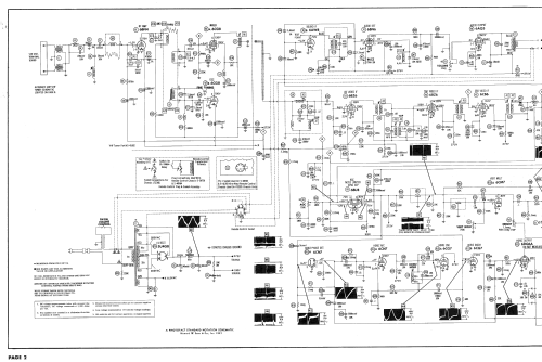
Cliquez sur la vignette du schéma pour le demander en tant que document gratuit.

 Spécifications techniques

  • No. de tubes
  • 17
  • Principe général
  • Super hétérodyne avec étage HF
  • Gammes d'ondes
  • VHF/UHF (voir details en note)
  • Tension / type courant
  • Alimentation Courant Alternatif (CA) / 60 Hz, 117V = 110 -120 Volt
  • Haut-parleur
  • HP dynamique à aimant permanent + bobine mobile / Ø 5.25 inch = 13.3 cm
  • Matière
  • Plastique moderne (pas de bakélite, ni de catalin)
  • De Radiomuseum.org
  • Modèle: Z2223EZ Ch= 17Z31 - Zenith Radio Corp.; Chicago,
  • Forme
  • Modèle de table générique
  • Remarques
  • The Zenith Z2223EZ is a 21" b/w TV with US standard VHF Tuner channels 2 thru 13. Equipped with chassis 17Z31 and picture tube 21CWP4 or 21CVP4 or 21BTP4 or 21BAP4.

  • Auteur
  • Modèle crée par Arpad Roth † 27.3.17. Voir les propositions de modification pour les contributeurs supplémentaires.

 Collections | Musées | Littérature

 Forum