Z2251EZ Ch= 17Z32
Zenith Radio Corp.; Chicago, IL
- Land
- USA
- Hersteller / Marke
- Zenith Radio Corp.; Chicago, IL
- Jahr
- 1957 ?
- Kategorie
- Fernseh-Empfänger/Monitor
- Radiomuseum.org ID
- 271188
-
- anderer Name: Chicago Radio Lab
Klicken Sie auf den Schaltplanausschnitt, um diesen kostenlos als Dokument anzufordern.
- Anzahl Röhren
- 17
- Röhren
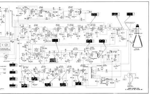
- 6BN4 6CG8 6BZ6 6BZ6 6CB6 6AW8A 6BN6 6AQ5 6BU8 6CM7 6CN7 6CG7 6DQ6A 6AU4GTA or 6AX4GTA 1B3GT 5U4GB 21CWP4 or 21CVP4 or 21BTP4 or 21BAP4
- Hauptprinzip
- Super mit HF-Vorstufe
- Wellenbereiche
- VHF/UHF (siehe Bemerkungen)
- Betriebsart / Volt
- Wechselstromspeisung / 60 Hz, 117V = 110 -120 Volt
- Lautsprecher
- Dynamischer LS, keine Erregerspule (permanentdynamisch) / Ø 10 inch = 25.4 cm
- Material
- Plastikgehäuse (nicht Bakelit), Thermoplast
- von Radiomuseum.org
- Modell: Z2251EZ Ch= 17Z32 - Zenith Radio Corp.; Chicago,
- Form
- Tischmodell, Zusatz nicht bekannt - allgemein.
- Bemerkung
-
The Zenith Z2251EZ is a 21" b/w TV with US standard VHF Tuner channels 2 thru 13. Equipped with chassis 17Z32 and picture tube 21CWP4 or 21CVP4 or 21BTP4 or 21BAP4.
- Literaturnachweis
- Photofact Folder, Howard W. SAMS (Set 355, Folder 18-S, 1957)
- Literatur/Schema (1)
- Photofact Folder, Howard W. SAMS (Set 374, Folder 16 Dated 10-57)
- Autor
- Modellseite von Arpad Roth † 27.3.17 angelegt. Siehe bei "Änderungsvorschlag" für weitere Mitarbeit.
- Weitere Modelle
-
Hier finden Sie 4519 Modelle, davon 4111 mit Bildern und 3656 mit Schaltbildern.
Alle gelisteten Radios usw. von Zenith Radio Corp.; Chicago, IL