Z2258E Ch= 17Z22
Zenith Radio Corp.; Chicago, IL
- Produttore / Marca
- Zenith Radio Corp.; Chicago, IL
- Anno
- 1956/1957
- Categoria
- Televisore (TV) / Monitor
- Radiomuseum.org ID
- 261513
-
- alternative name: Chicago Radio Lab
Clicca sulla miniatura dello schema per richiederlo come documento gratuito.
- Numero di tubi
- 17
- Valvole
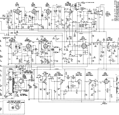
- 6BN4 6CG8 3CB6 3CB6 3CB6 6AU8 3BN6 6AQ5 6BU8 6CM7 6CN7 6CG7 6DQ6 1B3GT 6AX4GT or 6AX4GTA 5U4GA or 5U4GB 21ALP4A
- Principio generale
- Supereterodina con stadio RF
- Gamme d'onda
- VHF/UHF (ved. i dettagli nelle note)
- Tensioni di funzionamento
- Alimentazione a corrente alternata (CA) / 60 cycles, 110-120 Volt
- Altoparlante
- AP magnetodinamico (magnete permanente e bobina mobile)
- Potenza d'uscita
- 1.3 W (1.6 W max.)
- Radiomuseum.org
- Modello: Z2258E Ch= 17Z22 - Zenith Radio Corp.; Chicago,
- Annotazioni
-
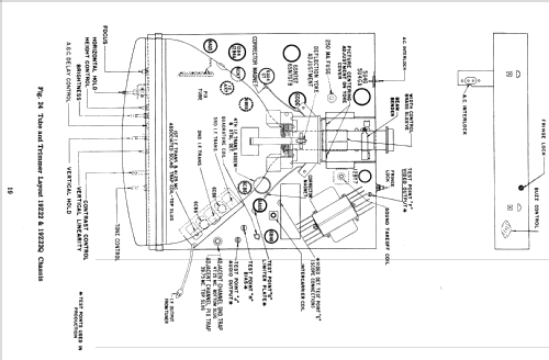
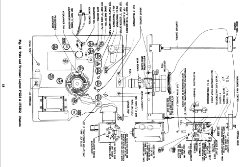
The Zenith Z2258E is a 21" b/w TV with US standard VHF Tuner channels 2 thru 13. Equipped with chassis 17Z22 and picture tube 21ALP4A.
- Letteratura / Schemi (1)
- Photofact Folder, Howard W. SAMS (Set 343, folder 18 dated 1-57)
- Letteratura / Schemi (2)
- - - Manufacturers Literature (Zenith 1957 Television Receivers Service Manual TV-17 Dated 5-29-56)
- Autore
- Modello inviato da John Kusching. Utilizzare "Proponi modifica" per inviare ulteriori dati.
- Altri modelli
-
In questo link sono elencati 4519 modelli, di cui 4111 con immagini e 3656 con schemi.
Elenco delle radio e altri apparecchi della Zenith Radio Corp.; Chicago, IL