Z3000RZU Ch= 17Z32QU
Zenith Radio Corp.; Chicago, IL
- Country
- United States of America (USA)
- Manufacturer / Brand
- Zenith Radio Corp.; Chicago, IL
- Year
- 1957 ?
- Category
- Television Receiver (TV) or Monitor
- Radiomuseum.org ID
- 315438
-
- alternative name: Chicago Radio Lab
Click on the schematic thumbnail to request the schematic as a free document.
- Number of Tubes
- 18
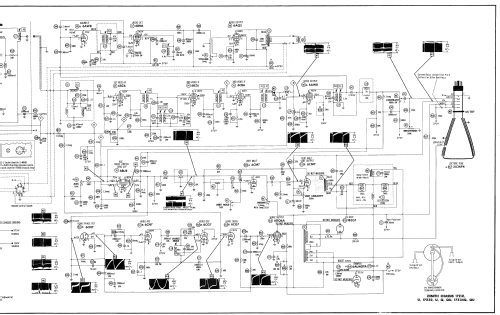
- Valves / Tubes
- 6AF4A 6BN4 6CG8 6BZ6 6BZ6 6CB6 6AN8 6BN6 6AQ5 6BU8 6CM7 6CN7 6CG7 6DQ6A 6AU4GTA or 6AX4GTA 1B3GT 5U4GB 21CWP4
- Main principle
- Superhet with RF-stage
- Wave bands
- Wave Bands given in the notes.
- Power type and voltage
- Alternating Current supply (AC) / 60 Hz, 117V = 110 -120 Volt
- Loudspeaker
- Permanent Magnet Dynamic (PDyn) Loudspeaker (moving coil)
- Material
- Plastics (no bakelite or catalin)
- from Radiomuseum.org
- Model: Z3000RZU Ch= 17Z32QU - Zenith Radio Corp.; Chicago,
- Shape
- Tablemodel, with any shape - general.
- Notes
-
Zenith model Z3000RZU is a 21" b/w TV with US standard VHF tuner channels 2 thru 13, and 14 thru 83 UHF. Equipped with chassis 17Z32QU, VHF-tuner S-41012, UHF- tuner S-41363 and picture tube 21CWP4.
- Literature/Schematics (1)
- Photofact Folder, Howard W. SAMS (Set 374 Folder 16 dated 10-57)
- Author
- Model page created by Dirk Taekels. See "Data change" for further contributors.
- Other Models
-
Here you find 4517 models, 4109 with images and 3653 with schematics for wireless sets etc. In French: TSF for Télégraphie sans fil.
All listed radios etc. from Zenith Radio Corp.; Chicago, IL