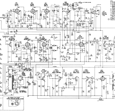
Z3006E Ch= 17Z22Q
Zenith Radio Corp.; Chicago, IL
- País
- Estados Unidos
- Fabricante / Marca
- Zenith Radio Corp.; Chicago, IL
- Año
- 1956/1957
- Categoría
- Televisión (TV) o monitor
- Radiomuseum.org ID
- 261611
-
- alternative name: Chicago Radio Lab
Haga clic en la miniatura esquemática para solicitarlo como documento gratuito.
- Numero de valvulas
- 17
- Válvulas
- 6BN4 6CG8 3CB6 3CB6 3CB6 6AU8 3BN6 6AQ5 6BU8 6CM7 6CN7 6CG7 6DQ6 1B3GT 6AX4GT or 6AX4GTA 5U4GA or 5U4GB 21ALP4A
- Principio principal
- Superheterodino con paso previo de RF
- Gama de ondas
- VHF/UHF (see notes for details)
- Tensión de funcionamiento
- Red: Corriente alterna (CA, Inglés = AC) / 60 cycles, 110-120 Volt
- Altavoz
- Altavoz dinámico (de imán permanente)
- Potencia de salida
- 1.3 W (1.6 W max.)
- de Radiomuseum.org
- Modelo: Z3006E Ch= 17Z22Q - Zenith Radio Corp.; Chicago,
- Anotaciones
-
The Zenith Z3006E is a 21" b/w TV with US standard VHF Tuner channels 2 thru 13. Equipped with chassis 17Z22Q and picture tube 21ALP4A.
- Documentación / Esquemas (1)
- Photofact Folder, Howard W. SAMS (Set 343, folder 18 dated 1-57)
- Documentación / Esquemas (2)
- - - Manufacturers Literature (Zenith 1957 Television Receivers Service Manual TV-17 Dated 5-29-56)
- Autor
- Modelo creado por John Kusching. Ver en "Modificar Ficha" los participantes posteriores.
- Otros modelos
-
Donde encontrará 4519 modelos, 4111 con imágenes y 3656 con esquemas.
Ir al listado general de Zenith Radio Corp.; Chicago, IL