Z3008EZ Ch= 17Z34Q
Zenith Radio Corp.; Chicago, IL
- Country
- United States of America (USA)
- Manufacturer / Brand
- Zenith Radio Corp.; Chicago, IL
- Year
- 1957 ?
- Category
- Television Receiver (TV) or Monitor
- Radiomuseum.org ID
- 271309
-
- alternative name: Chicago Radio Lab
Click on the schematic thumbnail to request the schematic as a free document.
- Number of Tubes
- 17
- Valves / Tubes
- 6BN4 6CG8 6BZ6 6BZ6 6CB6 6AW8A 6BN6 6AQ5 6BU8 6CM7 6CN7 6CG7 6DQ6A 6AU4GTA or 6AX4GTA 1B3GT 5U4GB 21CWP4 or 21CVP4 or 21BTP4 or 21BAP4
- Main principle
- Superhet with RF-stage
- Wave bands
- VHF incl. FM and/or UHF (see notes for details)
- Power type and voltage
- Alternating Current supply (AC) / 60 Hz, 117V = 110 -120 Volt
- Loudspeaker
- Permanent Magnet Dynamic (PDyn) Loudspeaker (moving coil) / Ø 8 inch = 20.3 cm
- from Radiomuseum.org
- Model: Z3008EZ Ch= 17Z34Q - Zenith Radio Corp.; Chicago,
- Notes
-
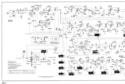
The Zenith Z3008EZ is a 21" b/w TV with US standard VHF Tuner channels 2 thru 13. Equipped with chassis 17Z34Q and picture tube 21CWP4 or 21CVP4 or 21BTP4 or 21BAP4.
The "Q" in the chassis number indicates that this TV has a remote control unit.
- Mentioned in
- Photofact Folder, Howard W. SAMS (Set 355, Folder 18-S, 1957)
- Literature/Schematics (1)
- Photofact Folder, Howard W. SAMS (Set 374, Folder 16 Dated 10-57)
- Author
- Model page created by Arpad Roth † 27.3.17. See "Data change" for further contributors.
- Other Models
-
Here you find 4517 models, 4109 with images and 3653 with schematics for wireless sets etc. In French: TSF for Télégraphie sans fil.
All listed radios etc. from Zenith Radio Corp.; Chicago, IL