Z3010YU Ch= 19Z22QU
Zenith Radio Corp.; Chicago, IL
- Country
- United States of America (USA)
- Manufacturer / Brand
- Zenith Radio Corp.; Chicago, IL
- Year
- 1956/1957
- Category
- Television Receiver (TV) or Monitor
- Radiomuseum.org ID
- 266615
-
- alternative name: Chicago Radio Lab
Click on the schematic thumbnail to request the schematic as a free document.
- Number of Tubes
- 20
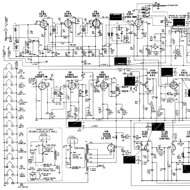
- Valves / Tubes
- 6BK7A 6AF4 6U8 3CB6 3CB6 3CB6 12BY7 6AU6 6BN6 6AQ5 12AX7 6BE6 12B4 6CN7 6SN7GT 6DQ6 1B3GT 6AX4GT 5U4G or 5U4GA 21ALP4A
- Main principle
- Superhet with RF-stage
- Wave bands
- VHF incl. FM and/or UHF (see notes for details)
- Power type and voltage
- Alternating Current supply (AC) / 60 cycles, 110-120 Volt
- Loudspeaker
- Permanent Magnet Dynamic (PDyn) Loudspeaker (moving coil)
- Power out
- 1.5 W (1.8 W max.)
- from Radiomuseum.org
- Model: Z3010YU Ch= 19Z22QU - Zenith Radio Corp.; Chicago,
- Shape
- Console with any shape - in general
- Notes
-
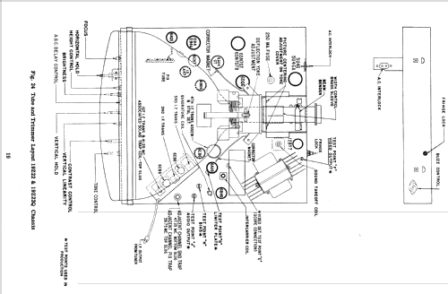
The Zenith Z3010YU is a 21" b/w TV with US standard VHF Tuner channels 2 thru 13, 14 thru 83 UHF. Equipped with chassis 19Z22QU and picture tube 21ALP4A.
The suffix "Q" following the chassis number indicates that the TV is equipped with Zenith Space Command remote control.
- Literature/Schematics (1)
- Photofact Folder, Howard W. SAMS (Set 341, folder 17)
- Literature/Schematics (2)
- - - Manufacturers Literature (Zenith 1957 Television Receivers Service Manual TV-17 Dated 5-29-56)
- Author
- Model page created by John Kusching. See "Data change" for further contributors.
- Other Models
-
Here you find 4519 models, 4111 with images and 3656 with schematics for wireless sets etc. In French: TSF for Télégraphie sans fil.
All listed radios etc. from Zenith Radio Corp.; Chicago, IL