Z3012HZ Ch= 22Z30Q
Zenith Radio Corp.; Chicago, IL
- Country
- United States of America (USA)
- Manufacturer / Brand
- Zenith Radio Corp.; Chicago, IL
- Year
- 1957 ?
- Category
- Television Receiver (TV) or Monitor
- Radiomuseum.org ID
- 318937
-
- alternative name: Chicago Radio Lab
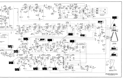
Click on the schematic thumbnail to request the schematic as a free document.
- Number of Tubes
- 22
- Valves / Tubes
- 6BK7A 6U8 6CB6 6CB6 6CB6 12BY7A 12AX7 6AU6 6BN6 12AX7 6AQ5 6AQ5 6BE6 6BX7GT 6CN7 6SN7GTB 6CD6GA 6AU4GTA 1B3GT 5U4GA 5U4GA 21CUP4
- Main principle
- Superhet with RF-stage
- Wave bands
- Wave Bands given in the notes.
- Power type and voltage
- Alternating Current supply (AC) / 60 Hz, 117V = 110 -120 Volt
- Loudspeaker
- 5 Loudspeakers
- Material
- Wooden case
- from Radiomuseum.org
- Model: Z3012HZ Ch= 22Z30Q - Zenith Radio Corp.; Chicago,
- Shape
- Console, Lowboy (legs < 50 %).
- Notes
-
Zenith model Z3012HZ is a 21 "b/w TV with US standard VHF tuner channels 2 thru 13. Equipped with chassis 22Z30Q, VHF tuner S-24712 and picture tube 21CUP4.
- Literature/Schematics (1)
- Photofact Folder, Howard W. SAMS (Set 383 Folder 4 dated 1-58)
- Author
- Model page created by Dirk Taekels. See "Data change" for further contributors.
- Other Models
-
Here you find 4517 models, 4109 with images and 3653 with schematics for wireless sets etc. In French: TSF for Télégraphie sans fil.
All listed radios etc. from Zenith Radio Corp.; Chicago, IL