radiomuseum.org

40728

Informazioni - Aiuto 
ID = 39806
       
Stato:
USA (Stati Uniti d'America)
Produttore: RCA (RCA Victor Co. Inc.); New York (NY)
Tipo:  SEMICONDUTTORE (in generale)   Power-supply 
Identico a 40728

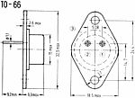
Zoccolo SPECIAL TUBEBASE in general
Descrizione Material/Aufbau/Pol.: Silizium _____ Thyristor;
Form/Case: TO-66 Anschlussfolge: KGA;
Daten/electr.data: Zündspannung Ugt: __ V; Zündstrom Igt: __ mA; per.Spitzensperrspannung Udrm: __ V; Dauergrenzstrom Itav: __ A; per.Spitzenstrom Ttrm: __ A; Stossstrom Itsm: __ A.
(no data available yet) - 
Dimensioni
(LxAxP)
incl.pins/tip
33 x 9 x 19 mm / 1.30 x 0.35 x 0.75 inch
Peso 7 g / 0.25 oz

to66_12.gif 40728: TTT Steidle 1981
Günther Stabe † 19.8.20

Collezione di

 
40728.jpg

 

[rmxtube-en]
  

Conformità dei dati Ulteriori informazioni