radiomuseum.org

CXA1198

Information - Help 
ID = 60305
       
Country:
Japan
Brand: Sony Corporation; Tokyo
Tube type:  IC - Integrated Circuit   Audio Frequency 
Identical to CXA1198

Base SPECIAL TUBEBASE in general
Description

Aufbau/Content: Linear-IC (__ Trans., __ Widerst., __ Dioden, __ Kond.);
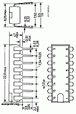
Form/Case/Outline: DIP-16 (CXA1198AP);
Type/Application: Stereo Cassette Deck Recording Equalizer;
Daten/electr.data: Vcc: 8...15 V (+/- 4 ... 7.5 V dual power supply); Icc: 18 mA; Pd: <900 mW; T op: -20 ... +75 °C;
-

 
Dimensions (WHD)
incl. pins / tip
20 x 7 x 8 mm / 0.79 x 0.28 x 0.31 inch
Weight 1 g / 0.04 oz
Information source -- Original-techn. papers.   

cxa1198_umgeb1.png
CXA1198: Sony
Günther Stabe † 19.8.20

dip_16_sot_38~~48.gif CXA1198: TTT Steidle 1981
Günther Stabe † 19.8.20

cxa1198_blockd.png
CXA1198: Sony
Günther Stabe † 19.8.20

Collection of

 
cxa1198.jpg

 

You reach this tube or valve page from a search after clicking the "tubes" tab or by clicking a tube on a radio model page. You will find thousands of tubes or valves with interesting links. You even can look up radio models with a certain tube line up. [rmxtube-en]
  

Data Compliance More Information