radiomuseum.org
Please click your language flag. Bitte Sprachflagge klicken.

µPD1704C

Information - Help 
ID = 64612
       
Country:
Japan
Brand: NEC Corporation, Nippon Electric Co. Ltd. (Nippon Denki); Tokyo
Tube type:  IC - Integrated Circuit   RF/IF-Stage 
Identical to µPD1704C

Base SPECIAL TUBEBASE in general
Description

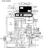
Aufbau/Content: IC (CMOS);
Form/Case/Outline: DIP-42;
Application/Type: Single Chip Microcomputer with a Digital Phase Locked Loop Frequency Synthesizer (FM / AM), Display Driver;
Daten/electr.data: Vdd: 5 V; Idd: __ mA; Io: 10 mA; Pd: __ mW; t op: -35...+75 °C.
-

 
Dimensions (WHD)
incl. pins / tip
56 x 8 x 15 mm / 2.20 x 0.31 x 0.59 inch
Weight 3 g / 0.11 oz
Information source - - Manufacturers Literature   

dip_42~~13.png µPD1704C: NEC
Günther Stabe † 19.8.20

_pd1704_blockd.png
µPD1704C: NEC
Günther Stabe † 19.8.20

More ...

Collection of

 
d1704c.jpg

 

You reach this tube or valve page from a search after clicking the "tubes" tab or by clicking a tube on a radio model page. You will find thousands of tubes or valves with interesting links. You even can look up radio models with a certain tube line up. [rmxtube-en]
  

Data Compliance More Information