radiomuseum.org

U107D_HFO

Información - Ayuda 
ID = 64082
       
País:
Alemania
Marca: Halbleiterwerk Frankfurt /Oder, VEB, (HFO); Frankfurt /Oder (Ostd.)
Tipo:  IC - Integrated Circuit 
Idéntica a U107D_HFO = MEM1014

Base SPECIAL TUBEBASE in general
Descripción

Aufbau/Content: IC (CMOS);
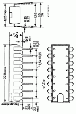
Form/Case/Outline: DIP-16;
Type/Application: 2-Input AND-Function Logic Gate;
Daten/electr.data: Vcc: __ V; Icc: __ mA; Ptot: __ mW; t amb: -__...+__ °C;
(no data available yet)
Auch im Funkwerk Erfurt gefertigt (lt. Stempel) -

 
Dimensiones
(Alt,Ancho,Prof.)
incl.pins/tip
21 x 7 x 8 mm / 0.83 x 0.28 x 0.31 inch
Peso 1 g / 0.04 oz

dip_16_sot_38~~155.gif U107D_HFO: TTT Steidle 1981
Günther Stabe † 19.8.20

Colección personal de

 
u_107_d_hfo.jpg

 

[rmxtube-en]
  

Cumplimiento de datos Más información