EZ1 „verkupfert“
EZ1 „verkupfert“

Meine einzige EZ1 trägt zwar keine Beschriftung "Cu-Bi", aber die Kupferkathode ist deutlich zu erkennen.
Schon im Auslieferzustand hatte sie einen grünlichen Kolbenbelag, der auf Verdunstung von Kupfer bereits im Herstellungsprozess schließen lässt.
Leider war sie nicht sehr lange als Gleichrichterröhre zu gebrauchen. Bei Betrieb unter Nenndaten neigte sie schon früh zu Überschlägen während der Aufheizzeit.
Danach kam sie in einem Gerät zum Einsatz, wo bei 250 V ein Anodenstrom von nur 18 mA verlangt wurde. Selbst dieser geringen Belastung hielt sie nicht lange stand. Sie brachte nicht mehr den Impulsstrom auf, der in der normal üblichen CLC- Filterschaltung deutlich höher ist als der Strommittelwert von 18 mA, mit der Folge, dass die Spannung deutlich einbrach.
Somit war erwiesen, dass diese Röhre für keine normale Anwendung zu gebrauchen ist.
Angeregt durch den Beitrag „Kupferbelag im Röhrenkolben einer Cu-Bi-Röhre“, wo eine EZ1 - Cu-Bi mit dem starken Kupferbelag im Kolben gezeigt wird, beschloss ich, meine eigene EZ1 ebenfalls zu „verkupfern“.
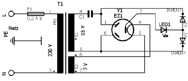
Es wurde eine Testschaltung aufgebaut mit einem Netztrafo, der 7 V Heizspannung und 95 V Anodenspannung liefern konnte.
Hauptsächlich ging es darum, die EZ1 über längere Zeit zu heizen. Mit 7 V lag die Heizspannung an der oberen Grenze der Nenndaten. Die Katode glühte dabei jedoch immer noch nur sehr dunkelrot.
Mit zwei zusätzlichen Dioden wurde die EZ1 zum Brückengleichrichter ergänzt, als Last kam eine LED mit ca. 2 V Brennspannung zum Einsatz. Der Anodenstrom wurde durch die Trafospannung 95 V und den Kondensator C1 bestimmt, der als kapazitiver Vorwiderstand diente.
Begonnen wurde mit einem 68 nF- Kondensator, wodurch sich ein Anodenstrom von 0,36 mA ergab.
Über mehrere Etappen wurde der Kondensatorwert vergrößert, bis zum Ende der Test-Serie 1 µF eingesetzt wurde, wodurch der Anodenstrom auf 29 mA anstieg.
Hierbei entststand ein Spannungsabfall Ua-k von ca. 14,6 V (Spitze) in der Röhre. Dies ist nur unwesentlich mehr als in einer neuwertigen Röhre 6Z4/84 mit Ua-k^ von 13,3 V, die ähnliche Daten wie die EZ1 besitzt. d. h., die EZ1 verhält sich unter diesen Bedingungen relativ normal.
Es ist mir nicht bekannt, ob der Katoden- Elektronenstrom einen Einfluss auf die Verdunstung von Kupfer hat. Ursprünglich diente die LED auch nur, um anzuzeigen, dass Strom fließt.
Bild : Spannungsabfall Ua-k^ der EZ1, über einer Anode. Die Abweichung von einer Sinus- Halbwelle werden durch die Verzerrungen der Netzspannung verursacht.
Nach etwa 2700 Stunden Betrieb in der Testschaltung ergab sich ein deutlich erkennbarer Kupfer- Niederschlag auf der Innenwand des Glaskolbens, womit der Beweis der Verdunstung von Kupfer aus der Katode erbracht ist.
Allerdings sieht die EZ1 nur im Belichtungskasten mit weißen Innenwänden so schön verkupfert aus.
In normaler Umgebung erscheint sie noch relativ dunkel, was auf einen noch sehr dünnen Kupferbebelag schließen lässt.
Dies ließe sich voraussichtlich nur ändern, wenn sie über längere Zeit mit deutlich höherer Heizspannung und daraus resultierender höherer Katodentemperatur betrieben werden würde.
MfG
J. Roschy
Für diesen Post bedanken, weil hilfreich und/oder fachlich fundiert.