philips: Gibt es Schaltbilder für die ZF-Module?

ID: 549099
? philips: Gibt es Schaltbilder für die ZF-Module? 
10.Jan.21 21:30
141

Ingo Heidinger (D)
Redakteur
Beiträge: 105
Anzahl Danke: 11

Hallo zusammen,

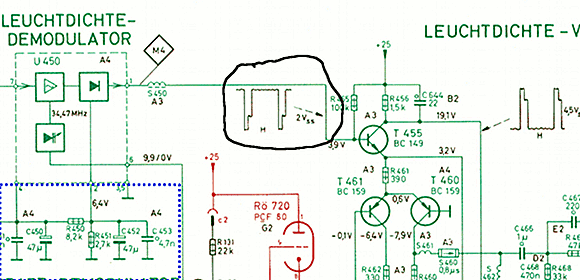
bei der Generalüberholung des Geräts bin ich auf folgendes Problem gestoßen: Das eingekringelte Signal ist fast exakt doppelt so groß, wie im Schaltbild angegeben, also 4 Vss. Das setzt sich dann auch in Richtung PL802 fort.Ausschnitt Y-Verstaerker

 

Geprüft habe ich schon die Einzelteile im blau punktierten Kasten. Da gibt es nach Elko-Tausch (die berühmten "kleinen blauen Philips-Elkos") keine Auffälligkeiten mehr. An dem Problem des zu hohen Signals ändert das aber nichts.

Die Auswirkung auf dem Bildschirm: Das Bild "säuft ab" in den dunklen Bereichen. Das läßt sich mit dem Kontrastregler auch nicht beheben. Bzw. nur ganz kurz: Beim schlagartigen Aufziehen des Kontrastreglers stimmt die Gradation für ca. 'ne drittel Sekunde und fällt dann wieder zurück.

Nun gibt es meiner Ansicht nach nur zwei Möglichkeiten:

  1. Das Schaltbild hat einen Tipfehler: 4 Vss sind normal, und ich muß mir den Schaltungsteil rechts von T460 mit der Schwarzwertklemmung mal ganz intensiv vorknöpfen.
  2. In den "Blechdosen" mit erstem (U 440), zweiten ZF-Verstärker (U 445) oder dem Leuchtdichte-Demodulator U 450 stimmt etwas nicht. Ein Spannungsteiler teilt nicht mehr oder ein Widerstand in einer irgendwie gearteten Gegenkopplung ist unterbrochen.

Was für "2." spricht: Das Signal "Grautreppe" an der oben genannten Stelle läßt sich auf einem Zweistrahl-Oszi mit am Video-Ausgang des PM5508 abgenommenen Signal (also ohne den HF-ZF-Umweg) ziemlich perfekt zur Deckung bringen. Unterschiede: a) zusätzliches, unvermeidliches Rauschen und b) eine überlagerte Schwingung mit ca. 3 Wellenbergen pro "Treppenstufe".

Die Schwingung hebt sich nur gaaaanz knapp vom Rauschen ab, ist aber bei ganz genauem Hinsehen auch auf dem Bildschirm zu erkennen. Das deutet auf ein Gegenkopplungsproblem hin.

Die AVR habe ich auch geprüft (auch da war Elko-Tausch fällig), die läßt sich aber wie im Servicemanual einstellen und wirkt wie vorgesehen, wenn man den HF-Pegel am Ausgang des PM5508 ändert.

Nun möchte ich aber nicht "blind" alle Einzelteile in den "Blechdosen" prüfen, daher die Frage: Hat Philips nicht irgendwann mal die Innenschaltungen veröffentlicht (z.B. als es die Module nicht mehr komplett zum Austausch gab) und wer hat die gegebenenfalls noch in irgendeinem Aktenordner?

Grüße
Ingo Heidinger

Für diesen Post bedanken, weil hilfreich und/oder fachlich fundiert.

 2
philips: Gibt es Schaltbilder für die ZF-Module? 
11.Jan.21 19:44
141 de 3032

Archiv GFGF (D)
Redakteur
Beiträge: 84
Anzahl Danke: 6

Hallo,

die Module sind Bestandteil des Werkstattbuches, welches im GFGF Archiv (digital) vorliegt, ich tue mich nur schwer mit dem Hochladen, schicken Sie mir einfach eine Mail an: archiv@gfgf.org

Komplettunterlagen 150 Dateien (1 CDR)

Gruss Ingo Pötschke

Für diesen Post bedanken, weil hilfreich und/oder fachlich fundiert.

 3
Fehler lag tatsächlich in 2 ZF-Modulen 
04.Feb.21 02:21
365 de 3032

Ingo Heidinger (D)
Redakteur
Beiträge: 105
Anzahl Danke: 11

So, Fehler eingekreist und behoben!

Erstmal aber ganz herzlichen Dank an Herrn Pötschke für das Zusenden des gezeichneten "Innenlebens", was mir das ineffektive Prüfen jedes Einzelteils in den "Dosen" erspart hat.

Und was war's? Mal wieder ein Kondensator-Problem, diesmal aber von der kurios-exotischen Sorte:
Ja, die "Unterhemd"-Keramikkondensatoren sind auch schon mal an anderer Stelle negativ aufgefallen, aber eher durch Brüche und (typisch!) stark nachlassende Kapazität. Hier nicht, hier gab es stark erhöhte Kapazitäten: Im Y-Demodulator hatte der eingekringelte Kondensator 18,4 statt 10 nF.

 

Daß die verringerte Gegenkopplung soviel ausmacht, wundert mich ein bißchen, ist doch die Impedanz eines 10 nF Cs bei 37 MHz (ca. Mitte des Durchlaßbereichs) schon sehr gering im Verhältnis zum parallel liegenden 1 kΩ Widerstand.

Und so sieht U 450 im Foto aus, hier schon mit ersetztem Kondensator (grün Y5F-Keramik, auch nicht ideal [Temperaturgang], aber ich hatte nichts anderes da).

 

Und dann setzte sich das Spiel im 2. ZF-Verstärker fort, der betroffene Kondensator konnte mit 14,2 nF aufwarten. Der Verstärker hat zwei Zweige, einmal in Richtung Y-Demodulator, da war dieser Kondensator zu finden. Im zweiten Zweig (unten) in Richtung Farb- und Tondemodulator war hingegen alles im grünen Bereich und auch der Ausgangspegel war von vornherein 2,4 Vss wie im Schaltbild vermerkt.

 

Wenn man so will, könnte man das Schaltungskonzept als ersten Schritt in Richtung Quasi-Parallelton bezeichnen. Überlicherweise wurde zu der Zeit der Ton im Y-Demodulator mit einer zweiten Diode ausgekoppelt.

Und hier sieht man die Abhilfe und den Schuldigen: Ich hab den "maßhaltigen" C 4165 versetzt, und dafür einen roten Folien-C eingesetzt (die gibt's inzwischen so klein), weil es an dieser Stellt nur um's Sieben der Versorgungsspannung geht. Da dürfte die Induktivität des Kondensatorwickels nicht weiter stören.

 

Ergebnis: Jetzt eine vernünftige Grautreppe (die der Kamerablitz natürlich wieder kaputt gemacht hat...)

 

Links unten übrigens die 6 "Überlebenden" der "kleinen blauen Philips-Elkos". Der Rest - fast zwei Hände voll - war für die Tonne. Dazu demnächst mal mehr.

Und was hat sich da für ein komisches Ding an der Bildröhre festgesaugt? Ein Thoma TMF2 Farbmeßgerät, mit dem man bequem und schnell den Grauabgleich machen kann. Hier leider nur im unteren Helligkeitsbereich, weil das K8D-Chassis eine Farbdifferenzansteuerung der Bildröhre hat. Da gibt es nur die Schirmgitter-Einsteller, aber nicht die einzelnen Verstärkungseinsteller für R, G und B.

Uuuund? Schafft das 49 Jahre alte "Glotzophon" von Familie Heidinger noch ein normgerechtes Grau?

Ja!

Hier im linken Bild die Farbtemperatur (erste Zeile) und das Delta-E (zweite Zeile) dazu.

Und rechts die "klein" xyz-Werte für die Normfarbtafel. Der z-Wert ergibt sich rechnerisch aus den beiden anderen Werten. Das Gerät zeigt ihn nur der Vollständigkeit halber an. Norm für EBU-Phosphore ist übrigens: x = 0,313 und y = 0,329.

Für diesen Post bedanken, weil hilfreich und/oder fachlich fundiert.

 4
Zeilentrafos, Weißabgleich 
04.Feb.21 23:34
492 de 3032

Andreas Steinmetz (D)
Redakteur
Beiträge: 749
Anzahl Danke: 10

Ach ja, wirklich schön, mal wieder etwas vom guten alten K8D zu lesen, dazu noch eine interessante Fehlersuche!

Wegen der Wichtigkeit erlaube ich mir ein wenig Off-Topic: Ich hoffe, dass Sie Glück mit den Zeilentrafos haben. Man kann nur wärmstens empfehlen, diese möglichst schonend zu behandeln: Boosterspannung an der unteren Grenze halten, Feuchtigkeit fernhalten und nach längerer Standzeit die Trafos erst warmföhnen, bevor das Gerät eingeschaltet wird! Wenn man das nicht beachtet, dann kann man die Uhr danach stellen, dass sich einer der Trafos innerhalb der ersten 10 Minuten für immer verabschiedet. Besonders anfällig ist der Trafo ohne die Hochspannungswicklung (beim K7N war es die Hochspannungsspule).

Die überdurchschnittliche Empfindlichkeit dieser Zeilentrafos mag auch damit zusammenhängen, dass die Lagenisolationsfolien im Laufe der Zeit zu starker Rissbildung neigen (ähnlich wie bei den bunten Valvo/Philips-Folienkondensatoren, nur dass es dort zu keinen Ausfällen kommt). Manchmal verlaufen die Risse quer durch den ganzen Wickel, und bei Betrieb im abgedunketem Raum sieht man schon blaue Funken sprühen (ich will heute nicht von Corona-Effekten sprechen)! Dann ist es höchste Zeit, den Trafo mit speziellem Tränklack am besten im Vakuum und bei erhöhter Temperatur neu zu vergießen. Nur: Wer hat dazu die Möglichkeiten...

Zum Weißabgleich: In den Kathodenleitungen liegen als Gegenkopplung kleine VDR-Widerstände unterschiedlicher Bemessungsspannungen, um die unterschiedlichen Wirkungsgrade der Leuchtphosphore auszugleichen und die Steuerkennlinien der Systeme zu linearisieren. Aus der Erinnerung heraus tragen diese rote oder orange Markierungen. Durch Tausch der VDRs untereinander oder gar durch Brücken eines VDRs des am meisten verschlissenen Systems bekommt man die Weißwerte ganz gut in den Griff, solange die Röhre nicht zu stark verbraucht ist. Übrigens ist die 140X-Röhre von Valvo/Philips dafür bekannt, zuerst deutlich an Schärfe zu verlieren, bevor die Emission merklich nachlässt.

Ansonsten: Wenn ein K8D (oder auch K7N) gut eingestellt ist, dann hat er ein ganz hervorragendes, stabiles Bild und einen richtig guten Klang. Leider laufen heute nur noch ganz wenige dieser Dinosaurier...

Für diesen Post bedanken, weil hilfreich und/oder fachlich fundiert.

 5
Reparatur-Vorgeschichte, Tip: Weißabgleich ohne Meßgerät 
10.Feb.21 22:31
681 de 3032

Ingo Heidinger (D)
Redakteur
Beiträge: 105
Anzahl Danke: 10

Da hat mich Herr Steinmetz jetzt animiert, zur Abrundung noch etwas zur Reparatur-Vorgeschichte des Geräts zu schreiben. Denn wie bekommt man den Schwenk von der Reparatur in den ZF-Stufen zum Weißabgleich?

Den Gradations-Fehler hatte der „Rubens“ schon ewig, also bereits Ende der 70er / Anfang der 80er Jahre. Das war der Anlaß eines erneuten Ringtauschs, diesmal von meiner Tante, die sich zur Anschaffung eines neuen Philips-TV mit Stereo, Fernbedienung und Kabeltauglichkeit überreden ließ und uns dafür einen Telefunken PALcolor 745 mit 712er Chassis überließ (der hier übrigens immer noch mit dem ersten BU208 läuft).

Die Fernsehwerkstatt unseres Vertrauens hat natürlich versucht, den Fehler zu finden. Aber sie dürfte schnell gemerkt haben, daß die Fehlersuche sehr zeitintensiv wird (ich hab's nicht gestoppt, würde aber auch bei mir von „deutlich im zweistelligen Bereich“ ausgehen). Denn die typischen Fehlerquellen nach dem Philips-Werkstatthandbuch für das K8D-Chassis scheiden alle aus.

Also bekamen wir das Gerät mit „lohnt nicht mehr“ und einer Behelfslösung zurück, die ich jetzt rückgängig gemacht habe.
Aber natürlich erst nach der Reparatur der ZF-Module, um ggf. Fehlerursachen nicht zu vermischen!

Und so ging die Behelfslösung: Der VDR in Richtung Grün-Kathode wurde überbrückt, weil halt Grün am meisten zur Bildschirmhelligkeit beiträgt. Und das Relais zur Weißpunkt-Umschaltung (Farbsendung / SW-Sendung) wurde in Stellung „SW“ blockiert. „Schwarz-Weiß“ heißt blaustichig (Farbtemperatur 9300 K)!

Meßbare Folge mit dem Müter BMR90 am langen Ende: Das Rot-System gut, Blau und Grün hinkten deutlich hinterher. Erst nach einem Regenerierlauf ließ sich wieder Gleichstand herstellen.

Weil das Umschaltrelais die Schaltstellung „Farbsendung“ nur noch mit einem heftigen Wackelkontakt erreicht, hab ich das Ding stillgelegt und die Schaltstellung „Farbsendung“ durch Unterbrechung einer Leiterbahn und Überbrückung von zwei Anderen dauerhaft verdrahtet. Das Kriterium für die Umschaltung ist übrigens der pendelnde PAL-Farbburst.

Kleiner Exkurs in die Sendertechnik: SW-Sendungen ohne den PAL-Farbburst gibt es seit Mitte / Ende der 70er ohnehin nicht mehr, weil der Burst Bestandteil der damals flächendenkend eingeführten Prüfzeilen ist und somit für die Fernüberwachung von Sendern und Umsetzern zwingend erforderlich ist. Ein fehlender Burst hätte massenhaft Alarme an die Sendezentrale zur Folge gehabt. SW-Material wird von den TV-Anstalten seitdem entsprechend farbkorrigiert ausgestrahlt, damit die Leute nicht Sepia-Töne zu sehen bekommen.

Und ob die Rückgängig-/ Umbaumaßnahmen Erfolg gehabt haben, muß man ja kontollieren. Dafür waren glücklicherweise nur geringfügige Korrekturen bei den Schirmgitter-Einstellern nötig, die Schleifer bewegen sich immer noch im mittleren Drittel der Potis. Das würde ich mal als „gesund“ einstufen.

Aber kaum jemand hat so ein Farbmeßgerät, ich auch nur durch einen glücklichen ebay-Zufall.

Geht der Weißabgleich auch mit Hausmitteln? Ja!

Hier das „Kochrezept“ (ursprünglich mal von einer Druckerei verraten): Man nehme:

  • Natürlich den Fernseher samt passendem Abgleichschraubendreher
  • Ein Blatt wirklich hochweißes Papier geeignet für Offset-Farbdrucke (kein Recyclingpapier – sei es auch noch so weiß)
  • Einen Platz an einem sauberen Nord- / Nord-Ost-Fenster ohne Gardinen und Vorhänge
  • Einen „hellgrauen“ Tag mit dünner, aber geschlossener Bewölkung, keine blauen Lücken aber auch keine dicken Regen- oder gar Schneewolken.

Und dann braucht man nur das Bildröhren-Grau [einzustellen mit den Schirmgitter-Potis] (bzw. -Weiß, das dann einzustellen mit den Verstärkungsreglern der RGB-Endstufen) mit dem Weiß von draußen zu vergleichen. Dem Licht von draußen dabei nicht im Weg stehen! Was in Akrobatik ausarten kann, will man gleichzeitig an der Rückseite des Geräts was drehen...

 

Beim K8D-Chassis mit Farbdifferenzansteuerung der Bildröhre gibt es logischerweise keine RGB-Verstärkungseinsteller, da muß man auf die "Paßgenauigkeit" der VDR-Widerstände in den Kathodenzuleitungen vertrauen.

Stichwort „Zeilentrafos“: Da versuch ich mal Herrn Steinmetz (und mich) in diesem speziellen Fall zu beruhigen - „auf Holz klopf“. Das Gerät hat seit den 70ern nie in einem feuchten Keller oder auf einem Dachboden gestanden und wurde auch ab und an eingeschaltet, um wenigstens für Entmagnetisierung zu sorgen. Risse an den Zeilentrafo-Wicklungen kann ich momentan nicht erkennen, die Oberfläche erinnert ein bißchen an ein Reifenprofil, aber ohne Risse. Wenn sie so „mittelwarm“ sind (nach rund 20 min), fiepsen sie mal ca. eine Minute, dann ist auch wieder Ruhe. Ozongeruch gibt’s auch nicht. Bei den Boosterspannungen sowie der Strahlstrombegrenzung gab es übrigens nichts zu korrigieren, die Potis konnten nach Reinigung wieder auf die ursprüngliche Stellung (im mittleren Drittel) zurück und die Spannungen passten.

Nach zweimaliger (!) Reinigung mit Teslanol, diese "knisternden" Potis mit Pertinax-Grundplatte sind ein nerviger (und leider zahlreicher) Schwachpunkt des Geräts!

Für diesen Post bedanken, weil hilfreich und/oder fachlich fundiert.

 6
Reparatur-Vorgeschichte, Tip: Weißabgleich ohne Meßgerät 
10.Feb.21 23:32
687 de 3032

Andreas Steinmetz (D)
Redakteur
Beiträge: 749
Anzahl Danke: 7

Interessante Historie!

Hinter den Kulissen erreichten mich einige Berichte/Infos. Stellvertretend möchte ich Folgendes vom Kollegen Drabek zur Variante K8 (ohne D) posten:
"Ich hatte einige Monate ein K8 Laborgerät zu Hause. Die Bildstabilität war sehr gut, weil die Hochspannung stabilisiert wurde. Mit einer Ballaströhre, sodass eben der Zeilentrafo eine konstante Leistung erzeugte, unabhängig von der Bildhelligkeit = Strahlstrom. Das schlug sich in der Stromaufnahme nieder. Der K8 hatte 380W Anschlussleistung, was heutzutage unglaublich erscheint. Aber die Effekte veränderlicher dynamischer Geometrie im Bild waren fast weg.
...
K heißt übrigens "Kleuren" für Farbe auf Nederlands.
...
Übrigens war die Konvergenzbox noch ein ziemliches Bauteilegrab, da ja die Bildröhre noch das Tripelmuster hatte. Man hat ja des etwas zusammengefasst, matriziert hieß dies, sodass der Abgleich etwas einfacher wurde. Hatte damals in Eindhoven ein Seminar, wo genau diese Konvergenz sehr gut erklärt wurde."

Es gäbe sicher noch viel zu diesem Thema (bzw. zu diesen Geräten) zu erzählen (, z.B., dass bei den letzten K8D die Weißwertumschaltung schon entfallen war und eine neue Tuner-Generation Einzug gehalten hatte), aber ich denke, wir haben jetzt schon genug Off-Topic. Außerdem ist unklar, ob unsere Geschichten bei den Lesern überhaupt auf nennenswerte Resonanz stoßen...

Um aber nochmal auf die anfängliche Fragestellung nach den Innenschaltungen der Module zurückzukommen: Philips hat ja seinerzeit für jede Chassisgeneration eigene Mappen herausgebracht. Diese enthielten alles, was man wissen musste, incl. der Innenschaltungen, aber ohne die Bedienteile, für die es zu jedem TV-Modell ergänzende Unterlagen gab. Ich fände es sehr hilfreich, wenn wir diese Dokumente im RMorg unterbringen würden. Frage: Wo ist die geeignete Stelle? Evtl. für jedes Chassis ein eigenes Modell anlegen?

Für diesen Post bedanken, weil hilfreich und/oder fachlich fundiert.

 7
Weitermachen 
12.Feb.21 10:52
770 de 3032

Steffen Thies (A)
Redakteur
Beiträge: 289
Anzahl Danke: 7

Keine Sorge, Herr Steinmetz. Die Anzahl der Klicks ist doch ermutigend.

Bei mir wartet z. B. ein TFK Palcolor 708T darauf, wieder wachgeküßt zu werden - wenn ich mich mal traue (Ich war schon mal dran, vor 10 Jahren lief er einwandfrei). Da könnten Tricks zur Fehlersuche an ähnlichen Geräten durchaus wertvoll sein. Und abgesehen davon ist es doch interessant, auch abseits vom eigenen Sammelgebiet etwas zu lesen.

Grüße,

Steffen Thies

Für diesen Post bedanken, weil hilfreich und/oder fachlich fundiert.

 8
Gerade eben hochgeladen! 
12.Feb.21 14:44
805 de 3032

Ingo Heidinger (D)
Redakteur
Beiträge: 105
Anzahl Danke: 5

Hallo zusammen!

Also jetzt mal streng "on-Topic" auf die Frage von Herrn Steinmetz:

Als zentrales Modell dieser Geräteserie ist hier im RM der Goya 110 Luxus irgendwann mal definiert worden. Findet man leider nur per durchklicken durch die Modelle (vielleicht wäre ein entsprechender einheitlicher Hinweis im jeweiligen Bemerkungstext des Modells sinnvoll). Dort sind die für alle Unter-Modelle gleichermaßen gültigen Schaltungsunterlagen versammelt. Und genau dahin hab ich gerade eben die mir von Herrn Pötschke zugegesandten - etwas nachbearbeiteten - Bestückungs- und Schaltbilder der Module hochgeladen.

Genau wie den "Fehlersuchbaum bei rausgesprungener Automatensicherung" und die im Vergleich zum Werkstatthandbuch modifizierte Anleitung zum Abgleich der Boosterspannungen und der Strahlstrombegrenzung. Beides sind zwar Aufkleber auf dem Zeilenkäfig, ich finde sie aber besser bei den Schaltbildern als bei den jeweiligen Gerätebildern untergebracht.

Die ganzen Unter- / Parallel-Modelle enthalten nur das "Delta" zu den Unterlagen, also in der Regel die Bedienteile. Also folgt doch das RM genau der Systematik von Philips.

Etwas verkomplizierend kommt hier noch das übliche Vorgehen von Philips zu der Zeit dazu, die Geräte-Optik und den Namen nicht zu verändern, sehr wohl aber die Schaltungen. In den Unterlagen von Herrn Pötschke habe ich - bis jetzt - drei Variationen des Zeilenendstufen-Prints ausmachen können. Alle Jahre wieder...

Für diesen Post bedanken, weil hilfreich und/oder fachlich fundiert.

 9
Frage noch offen... 
13.Feb.21 23:49
892 de 3032

Andreas Steinmetz (D)
Redakteur
Beiträge: 749
Anzahl Danke: 7

@ Herrn Thies: Ich habe beim Telefunken 708T einen Beitrag mit Link zu Reparaturhinweisen bzgl. des Color-Einheitschassis hinzugefügt. Nur Mut mit der Wiederinbetriebnahme!

@ Herrn Heidinger: Gut, dass die Unterlagen schonmal im RMorg untergebracht sind.

@ all: Allerdings suche ich immer noch nach einer generellen Lösung, wie mit den Chassis-basierten Herstellerunterlagen am besten zu verfahren ist, damit sie auch wiedergefunden werden, ohne dass man wie im Fall des Goya 110 alle Modelle durchsuchen muss. Ich denke, eine zentrale Stelle wäre die beste Lösung. Meine Frage am Ende von #6 in die Runde ist also noch offen. Wer Ideen hat, der melde sich bitte!

 

Für diesen Post bedanken, weil hilfreich und/oder fachlich fundiert.