mende: 151WL;

ID: 336550
Dieser Artikel betrifft das Modell: 151WL (Mende - Radio H. Mende & Co. GmbH, Dresden)

? mende: 151WL;  
16.Dec.13 00:52
236

Siegfried Schubert (D)
Beiträge: 56
Anzahl Danke: 16
Siegfried Schubert

Hallo Radiofreunde

Bin im Begriff einem Gerät diesen Typs neues " Leben" einzuhauchen.

Das Gerät war recht " Verbastelt" und es fehlt die Spule zwischen Antenneneingang und Sperrkreis.

Wo sie einst angebracht war ist gut zu erkennen, aber für einen Nachbau fehlen mir die Daten.

( Spulendurchmesser, Draht oder Litzenwerte und die Windungsanzahl.)

Wenn jemand helfen kann bitte melden.

   Da ich es nicht so sehr mit der HF habe, bitte, wozu dient(e) diese Eingangsspule?

Freue mich auf jede hilfreiche Antwort.

In Dankbarkeit

S. Schubert

Für diesen Post bedanken, weil hilfreich und/oder fachlich fundiert.

 2
Ein Vorschlag  
21.Dec.13 22:52
236 from 3498

Hans M. Knoll (D)
Redakteur
Beiträge: 2120
Anzahl Danke: 12
Hans M. Knoll

Hallo Herr Schubert.

Im RMorg sind 6 Modellbesitzer  zu finden.
228 haben noch keine Loesung angeboten.
Ich habe keines dieser alten Radios.

Was diese Spule macht kann ich nur auf Grund meiner frueheren Taetigkeit beantworten.

Das Radio hat eine „Lichtantenne“
Die Laustaerkeregelung wird in der Antennenzuleitung vorgenommen.
Die Lichtantenne und die damals üblichen langen Hochantennen, haben einen niedrigen Innenwiderstand (Generatorwiderstand)
Damit laesst sich die Lautstaerke ( mit dem gewähltem Diff.-Drehko ) nicht weit genug  abregeln.

Man muss nun den Generator- Innenwiderstand vergroessern.
Die zweite Moeglichkeit warum diese  Spulen bei MW (L1) und einen bei LW (L2) eingebaut wurden kann sein,  dass weitab liegende, starke,  Stationen nicht abregelbar waren. Die ohne die Spulen (L1und L2) niederohmige Antenne ginge  ohne diese  direkt ueber den Mitlaufdrehko (C1) der mit dem Abstimmdrehko (C2) gekoppelt bis  zum Audiongitter. Was keine Trennung weitab liegender Sender mehr zulaesst,  wenn kein Sperrkreis verwendet wird

Ob (C3) auch ohne Sperkreise vorhanden ist, wird unterschiedlich in Schaltbildern gezeigt.

Das alles sind Mutmassungen ohne Belege .

Ich schlage Ihnen vor:
Nehmen Sie von einer DKE Spule die beiden MW –Spulen (siehe Anlage von W. Eckardt ausgeliehen) rot markiert,  als Ersatz.
Die hat eine Induktivitaet von ca. 316uH.  Wenn Sie etwas zwischen 150 und 400 uH haben, koennen Sie ja damit testen und hier berichten.

knoll

 

Anlagen:

Für diesen Post bedanken, weil hilfreich und/oder fachlich fundiert.

 3
Informationen von Herrn Volker Martin  
22.Dec.13 17:33
361 from 3498

Hans M. Knoll (D)
Redakteur
Beiträge: 2120
Anzahl Danke: 13
Hans M. Knoll

Dieser Eintrag ist auch fuer einen "Herrn Schubert"  bestimmt.

knoll


Der Kollege Volker Martin, der aktuell den hervoragenden Bericht zum MENDE 148W eingestellt hat, bringt hier wertvolle Belege ein.
Ich hatte natuerlich alle drei Modelle des 151 geprueft.
Nur der 151B (Batterie) hat in den erreichbaren Unterlagen keine Spule am Antenneingang, er hat als einziger keine Lichtantenne. Man beachte auch die mit einem Blech gegen den Spulensatz abgeschirmte Antennenleitung ! (schwarz seitlich am Chassis)  
Das soll aber nicht die Angaben die ich hier im Auftrag von H. Martin einstelle in Frage stellen. Herr Schubert wird darueber froh sein.

H.M.Knoll, dankt H. Martin!

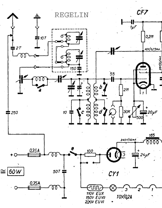
EDIT: Ein Freund hat noch den REGELIN bereitgestellt. Auch der mit Spule. So ist das eben:

"Änderungen vorbehalten"


Art der Anfrage: An Redakteur: Können Sie das für mich im Forum (angeben wo!) veröffentlichen?

Guten Tag in die Runde.
Zunächst kann ich die Ausführungen von Herrn Knoll nur bestätigen. Da ich einen 151 GW in meiner Sammlung habe, könnten die 2 Bilder hilfreich sein. Hier ist im Eingangskreis aber nur der 2000cm-Kondensator zu sehen, der bei den 151 GW als galvanisches Trennglied dient (Berührungsschutz, da Allstromgerät!). Von der HF-Spule keine Spur. Zu sagen wäre, dass es sich hier, wie zu sehen um ein unverbasteltes Gerät handelt. Aus meinen Erfahrungen kann ich aber sagen, dass auch schon damals in der Produktion Teile aus Kostengründen in den Geräten weggelassen wurden, die keine merklichen Einbußen in der Empfangsqualität mit sich brachen. So wird es auch hier sein: aus der Sicht des Konstrukteurs ist diese Spule wichtig, in der Praxis eher nicht.

Volker Martin

Anlagen:

Für diesen Post bedanken, weil hilfreich und/oder fachlich fundiert.

 4
Kleines Dankeschön 
24.Jan.14 20:59
580 from 3498

Siegfried Schubert (D)
Beiträge: 56
Anzahl Danke: 10
Siegfried Schubert

"Herr Schubert" ist sehr dankbar für die Informationen, da sie dem entsprechen was mehr oder weniger vermutet wurde.

Ganz am Rande sei vermerkt, das mir ( Hr. Schubert) viele Informationen des RM.org bisher weiterhalfen. Fragen habe ich noch einige, aber ...

Nun haben wir zwar schon ende Jannuar `14, aber ein Frohes und Erfolgreiches 2014 möchte ich möchte ich uns allen wünschen.

Schönes Wochenende für alle

        S. Schubert

Für diesen Post bedanken, weil hilfreich und/oder fachlich fundiert.