siemens: 53GWL; Schatulle
? siemens: 53GWL; Schatulle

Hallo allseitig
Habe vor einger Zeit ein "altes Blechradio" vor der "Presse" bewahrt.
Es ist ein blecherner Nachbau des "Herr im Frack" wie er hier als Modell beschrieben ist.
Das "wertvolle" Chassie ist ein Original der Fa. Siemens.
Gern würde ich es seinem Originalzustand wieder nahe bringen.
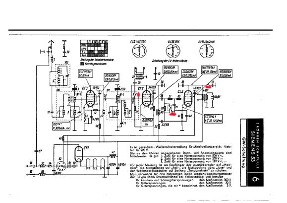
Unklar ist mir, trotz vorliegendem Schaltbild, wozu die drei einfachen Schalter ursprünglich
dienten.
Der erste befindet sich an der Chassie-Rückseite und dürfte als "Hell/Dunkel" Schalter gedient
haben.
Der zweite liegt 10-... cm über ihm - aber wozu ist er da?
Der dritte wurde mit der Abstimmwelle als Zugschalter ausgebildet und ist einseitig mit " Masse"
verbunden. Wozu?
(Das ist der vierte Versuch Diese Frage zu stellen, da meine Netzverbindung mich heute nicht leiden kann. Vieleicht klappt es ja dieses mal...)
Liebe Grüsse
Herzlichst
S.Schu..
Für diesen Post bedanken, weil hilfreich und/oder fachlich fundiert.
Die drei Schalterfunktionen

Hallo Herr Schubert.
Wenn Sie das Original- Siemens- Schaltbild vom Modellblatt nehmen, finden Sie 3 einfache Schalter.
# 1. Schaltet den Tonabnehmer an die Röhre CF7
#2. Schaltet die Tonblende an der Anode CL2
#3. Sicher der an der Abstimachse, ist ein Stummschalter, (an R30) damit man ohne Wellensalat von einem zum anderen Sender abstimmen kann. Heute nennt sich das Muting.
Die anderen Schaltungen haben als TA- Schalter eine Schaltbuchse und keinen Stummschalter.
knoll
- 53GW Beleg (36 KB)
Für diesen Post bedanken, weil hilfreich und/oder fachlich fundiert.
Danke

Vielen Dank für ihre freundliche und klare Mitteilung.
Was mache ich nun mit dem " Fremdgehäuse"?
Ersatz durch einen Hölzernen Nachbau oder das "Geräte- Innenleben" zum Verkauf anbieten?
Vieleicht kann jemand dieses nochmal "Veredeln"- na Egal.
Ihnen eine schöne Woche
Herzlich S. Schubert
Für diesen Post bedanken, weil hilfreich und/oder fachlich fundiert.