- Country
- United States of America (USA)
- Manufacturer / Brand
- Federated Purchaser, Inc. (Acratone, Acratest); New York City (NY)
- Year
- 1934
- Category
- Audio Amplifier or -mixer
- Radiomuseum.org ID
- 31165
Click on the schematic thumbnail to request the schematic as a free document.
- Number of Tubes
- 8
- Main principle
- Audio-Amplification
- Power type and voltage
- Alternating Current supply (AC) / 110 Volt
- Loudspeaker
- - This model requires external speaker(s).
- from Radiomuseum.org
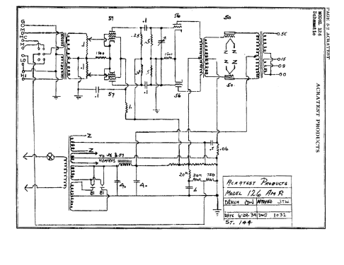
- Model: Acratest 126 - Federated Purchaser, Inc.
- External source of data
- Ernst Erb
- Circuit diagram reference
- Rider's Perpetual, Volume 5 = ca. 1934 and before
- Other Models
-
Here you find 210 models, 127 with images and 89 with schematics for wireless sets etc. In French: TSF for Télégraphie sans fil.
All listed radios etc. from Federated Purchaser, Inc. (Acratone, Acratest); New York City (NY)