121DX12A Ch= 19F1
Admiral (brand) Continental Radio & Television Co.; Chicago, IL
- Pays
- Etats-Unis
- Fabricant / Marque
- Admiral (brand) Continental Radio & Television Co.; Chicago, IL
- Année
- 1953 ?
- Catégorie
- Récepteur de télévision ou moniteur
- Radiomuseum.org ID
- 113565
-
- alternative name: Continental Radio & TV
Cliquez sur la vignette du schéma pour le demander en tant que document gratuit.
- No. de tubes
- 19
- Lampes / Tubes
- 6BC5 6J6 6CB6 6CB6 6U8 6AL5 6CB6 6AU6 6AL5 6AV6 6AS5 12AU7 6S4 6SN7GT 6BQ6GT 6AX4GT 1B3GT 5U4G 17BP4A
- Principe général
- Super hétérodyne avec étage HF
- Gammes d'ondes
- Bandes en notes
- Tension / type courant
- Alimentation Courant Alternatif (CA) / 60 Hz, 117V = 110 -120 Volt
- Haut-parleur
- HP dynamique à aimant permanent + bobine mobile / Ø 5 inch = 12.7 cm
- Matière
- Boitier métallique
- De Radiomuseum.org
- Modèle: 121DX12A Ch= 19F1 - Admiral brand Continental
- Forme
- Modèle de table générique
- Remarques
-
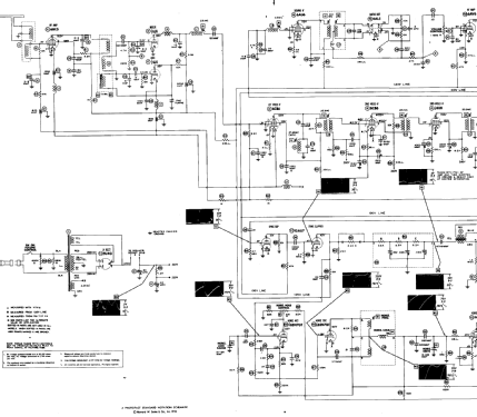
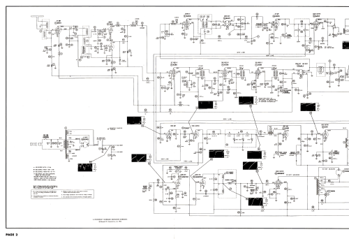
Admiral model 121DX12A is a 17” b/w TV with US standard VHF tuner channels 2 thru 13. Equipped with chassis 19F1, VHF tuner 94D46-2 and picture tube 17BP4A.
- Littérature
- Photofact Folder, Howard W. SAMS (Set 210, folder 2, dated 7-53)
- Auteur
- Modèle crée par Peter Hoddow. Voir les propositions de modification pour les contributeurs supplémentaires.
- D'autres Modèles
-
Vous pourrez trouver sous ce lien 3229 modèles d'appareils, 1333 avec des images et 2599 avec des schémas.
Tous les appareils de Admiral (brand) Continental Radio & Television Co.; Chicago, IL