121DX17A Ch= 19C1
Admiral (brand) Continental Radio & Television Co.; Chicago, IL
- País
- Estados Unidos
- Fabricante / Marca
- Admiral (brand) Continental Radio & Television Co.; Chicago, IL
- Año
- 1953 ?
- Categoría
- Televisión (TV) o monitor
- Radiomuseum.org ID
- 113568
-
- alternative name: Continental Radio & TV
Haga clic en la miniatura esquemática para solicitarlo como documento gratuito.
- Numero de valvulas
- 19
- Válvulas
- 6BC5 6J6 6CB6 6CB6 6U8 6AL5 6CB6 6AU6 6AL5 6AV6 6AS5 12AU7 6S4 6SN7GT 6BQ6GT 6AX4GT 1B3GT 5U4G 17BP4A
- Principio principal
- Superheterodino con paso previo de RF
- Gama de ondas
- Bandas de recepción puestas en notas.
- Tensión de funcionamiento
- Red: Corriente alterna (CA, Inglés = AC) / 60 Hz, 117V = 110 -120 Volt
- Altavoz
- Altavoz dinámico (de imán permanente) / Ø 5 inch = 12.7 cm
- Material
- Metálico
- de Radiomuseum.org
- Modelo: 121DX17A Ch= 19C1 - Admiral brand Continental
- Forma
- Sobremesa de cualquier forma, detalles no conocidos.
- Anotaciones
-
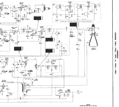
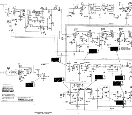
Admiral model 121DX17A is a 17” b/w TV with US standard VHF tuner channels 2 thru 13. Equipped with chassis 19C1, VHF tuner 94D46-2 and picture tube 17BP4A.
- Mencionado en
- Photofact Folder, Howard W. SAMS (Set 210, folder 2, dated 7-53)
- Autor
- Modelo creado por Peter Hoddow. Ver en "Modificar Ficha" los participantes posteriores.
- Otros modelos
-
Donde encontrará 3229 modelos, 1333 con imágenes y 2599 con esquemas.
Ir al listado general de Admiral (brand) Continental Radio & Television Co.; Chicago, IL