- Country
- United States of America (USA)
- Manufacturer / Brand
- Admiral (brand) Continental Radio & Television Co.; Chicago, IL
- Year
- 1952 ?
- Category
- Television Receiver (TV) or Monitor
- Radiomuseum.org ID
- 186147
-
- alternative name: Continental Radio & TV
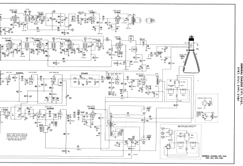
Click on the schematic thumbnail to request the schematic as a free document.
- Number of Tubes
- 21
- Valves / Tubes
- 6CB6 or 6BC5 or 6AG5 6J6 6AU6 6AG5 or 6AU6 or 6CB6 or 6BC5 6AG5 or 6AU6 or 6CB6 or 6BC5 6AL5 6AC7 6AU6 6AL5 6AV6 or 6SQ7 6V6GT 6SN7GT or 12AU7 6SN7GT 6S4 6AL5 or 6H6 or 12H6 6SN7GT 6BQ6GT 6W4GT 1B3GT 5U4G 17BP4 or 17RP4
- Main principle
- Superhet with RF-stage
- Wave bands
- Wave Bands given in the notes.
- Power type and voltage
- Alternating Current supply (AC) / 60 Hz, 117V = 110 -120 Volt
- Loudspeaker
- Permanent Magnet Dynamic (PDyn) Loudspeaker (moving coil) / Ø 3 inch = 7.6 cm
- Material
- Bakelite case
- from Radiomuseum.org
- Model: 17K12 Ch= 21F1 - Admiral brand Continental
- Shape
- Tablemodel, with any shape - general.
- Notes
-
Admiral model 27K46 is a 17” b/w TV with US standard VHF tuner channels 2 thru 13.
Equipped with chassis 21F1, VHF tuner 94C18-4 and picture tube 17BP4 or 17RP4.
This is an early bakelite television with a 17BP4 CRT. Chassis number 21F1. Covers channels 2 through 13. The schematic for this television is also listed in Riders Television book volume 13-1. A video of this specific television is show on You Tube at: http://www.youtube.com/watch?v=_KPUo0Bkxq4. The video was made by me on June 12, 2009 during the final analog television broadcasts in the United states.
- Literature/Schematics (1)
- Photofact Folder, Howard W. SAMS (Set 135, folder 2, dated 6-51)
- Literature/Schematics (2)
- Photofact Folder, Howard W. SAMS (Set 127 Folder 1A dated 51)
- Literature/Schematics (3)
- Photofact Folder, Howard W. SAMS (Set 156, folder 2, dated 1-52)
- Literature/Schematics (4)
- Photofact Folder, Howard W. SAMS (Set 180, folder 1, dated 9-52)
- Author
- Model page created by Jon Kummer. See "Data change" for further contributors.
- Other Models
-
Here you find 3229 models, 1333 with images and 2599 with schematics for wireless sets etc. In French: TSF for Télégraphie sans fil.
All listed radios etc. from Admiral (brand) Continental Radio & Television Co.; Chicago, IL