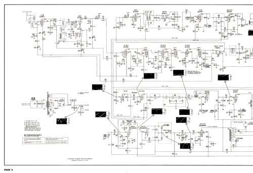
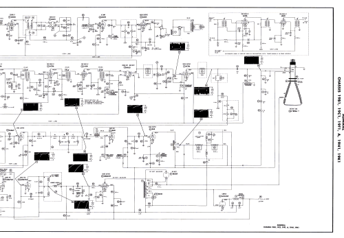
221DX26A Ch= 19F1
Admiral (brand) Continental Radio & Television Co.; Chicago, IL
- Produttore / Marca
- Admiral (brand) Continental Radio & Television Co.; Chicago, IL
- Anno
- 1953 ?
- Categoria
- Televisore (TV) / Monitor
- Radiomuseum.org ID
- 113642
-
- alternative name: Continental Radio & TV
Clicca sulla miniatura dello schema per richiederlo come documento gratuito.
- Numero di tubi
- 19
- Valvole
- 6BC5 6J6 6CB6 6CB6 6U8 6AL5 6CB6 6AU6 6AL5 6AV6 6AS5 12AU7 6S4 6SN7GT 6BQ6GT 6AX4GT 1B3GT 5U4G 17BP4A
- Principio generale
- Supereterodina con stadio RF
- Gamme d'onda
- Gamme d'onda nelle note.
- Tensioni di funzionamento
- Alimentazione a corrente alternata (CA) / 60 Hz, 117V = 110 -120 Volt
- Altoparlante
- AP magnetodinamico (magnete permanente e bobina mobile) / Ø 10 inch = 25.4 cm
- Materiali
- Mobile di metallo
- Radiomuseum.org
- Modello: 221DX26A Ch= 19F1 - Admiral brand Continental
- Forma
- Soprammobile con qualsiasi forma (non saputo).
- Annotazioni
-
Admiral model 221DX26A is a 17” b/w TV with US standard VHF tuner channels 2 thru 13. Equipped with chassis 19F1, VHF tuner 94D46-2 and picture tube 17BP4A
- Letteratura / Schemi (1)
- Photofact Folder, Howard W. SAMS (Set 210, folder 2, dated 7-53)
- Autore
- Modello inviato da Peter Hoddow. Utilizzare "Proponi modifica" per inviare ulteriori dati.
- Altri modelli
-
In questo link sono elencati 3229 modelli, di cui 1333 con immagini e 2599 con schemi.
Elenco delle radio e altri apparecchi della Admiral (brand) Continental Radio & Television Co.; Chicago, IL