221DX38A Ch= 19C1
Admiral (brand) Continental Radio & Television Co.; Chicago, IL
- Land
- USA
- Hersteller / Marke
- Admiral (brand) Continental Radio & Television Co.; Chicago, IL
- Jahr
- 1953 ?
- Kategorie
- Fernseh-Empfänger/Monitor
- Radiomuseum.org ID
- 113644
-
- anderer Name: Continental Radio & TV
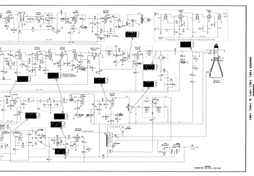
Klicken Sie auf den Schaltplanausschnitt, um diesen kostenlos als Dokument anzufordern.
- Anzahl Röhren
- 19
- Röhren
- 6BC5 6J6 6CB6 6CB6 6U8 6AL5 6CB6 6AU6 6AL5 6AV6 6AS5 12AU7 6S4 6SN7GT 6BQ6GT 6AX4GT 1B3GT 5U4G 17BP4A
- Hauptprinzip
- Super mit HF-Vorstufe
- Wellenbereiche
- Wellen in den Bemerkungen.
- Betriebsart / Volt
- Wechselstromspeisung / 60 Hz, 117V = 110 -120 Volt
- Lautsprecher
- Dynamischer LS, keine Erregerspule (permanentdynamisch) / Ø 10 inch = 25.4 cm
- Material
- Metallausführung
- von Radiomuseum.org
- Modell: 221DX38A Ch= 19C1 - Admiral brand Continental
- Form
- Tischmodell, Zusatz nicht bekannt - allgemein.
- Bemerkung
-
Admiral model 221DX38A is a 17” b/w TV with US standard VHF tuner channels 2 thru 13. Equipped with chassis 19C1, VHF tuner 94D46-2 and picture tube 17BP4A.
- Literatur/Schema (1)
- Photofact Folder, Howard W. SAMS (Set 210, folder 2, dated 7-53)
- Autor
- Modellseite von Peter Hoddow angelegt. Siehe bei "Änderungsvorschlag" für weitere Mitarbeit.
- Weitere Modelle
-
Hier finden Sie 3229 Modelle, davon 1333 mit Bildern und 2599 mit Schaltbildern.
Alle gelisteten Radios usw. von Admiral (brand) Continental Radio & Television Co.; Chicago, IL