222DX49 Ch= 22C2
Admiral (brand) Continental Radio & Television Co.; Chicago, IL
- País
- Estados Unidos
- Fabricante / Marca
- Admiral (brand) Continental Radio & Television Co.; Chicago, IL
- Año
- 1953 ?
- Categoría
- Televisión (TV) o monitor
- Radiomuseum.org ID
- 362040
- 
        - alternative name: Continental Radio & TV
 
Haga clic en la miniatura esquemática para solicitarlo como documento gratuito.
- Numero de valvulas
- 24
- Válvulas
- 6BZ7 6J6 6CB6 6CB6 6AG5 12AT7 or 12AU7 6AC7 6AU6 6AU6 6AL5 6AV6 6V6GT 12AU7 6SN7GT 6S4 6AL5 6SN7GT 6CD6G 6W4GT 1B3GT 5U4G 6BE6 6BA6 21EP4A
- Principio principal
- Superheterodino con paso previo de RF
- Gama de ondas
- Bandas de recepción puestas en notas.
- Especialidades
- Tocadiscos-autom o no-no sabemos
- Tensión de funcionamiento
- Red: Corriente alterna (CA, Inglés = AC) / 60 Hz, 117V = 110 -120 Volt
- Altavoz
- Altavoz dinámico (de imán permanente) / Ø 12 inch = 30.5 cm
- Material
- Madera
- de Radiomuseum.org
- Modelo: 222DX49 Ch= 22C2 - Admiral brand Continental
- Forma
- Consola en general
- Anotaciones
- 
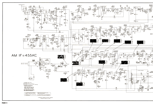
        Admiral model 222DX49 is a 21” b/w TV with US standard VHF tuner channels 2 thru 13. Equipped with chassis 22C2, TV-AM-phono combination receiver, VHF tuner 94D47-2 and picture tube 21EP4A. 
- Documentación / Esquemas (1)
- Photofact Folder, Howard W. SAMS (Set 201, folder 2, dated 4-53)
- Autor
- Modelo creado por Dirk Taekels. Ver en "Modificar Ficha" los participantes posteriores.
- Otros modelos
- 
        Donde encontrará 3229 modelos, 1333 con imágenes y 2599 con esquemas. 
 Ir al listado general de Admiral (brand) Continental Radio & Television Co.; Chicago, IL
 
                
                
                
                
                
                
                
                
                
                
                
                
                
                
                
                
                
                
               