- Land
- USA
- Hersteller / Marke
- Admiral (brand) Continental Radio & Television Co.; Chicago, IL
- Jahr
- 1950 ?
- Kategorie
- Fernseh-Empfänger/Monitor
- Radiomuseum.org ID
- 341579
-
- anderer Name: Continental Radio & TV
Klicken Sie auf den Schaltplanausschnitt, um diesen kostenlos als Dokument anzufordern.
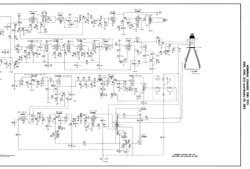
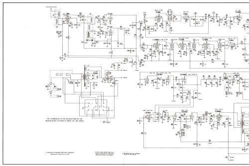
- Anzahl Röhren
- 26
- Röhren
- 6BC5 or 6CB6 or 6AG5 6J6 6AU6 or 6AG5 6AU6 or 6AG5 6AU6 or 6AG5 6AL5 6AC7 6AU6 6AL5 6AV6 or 6SQ7 6V6GT 12AU7 or 6SN7GT 6SN7GT 6S4 or 6SN7 6AL5 or 6H6 6SN7GT 6BQ6GT 6W4GT 1B3GT 5U4G 12AT7 6BA6 6BA6 6AL5 6AU6 16RP4 or 16TP4
- Hauptprinzip
- Super mit HF-Vorstufe
- Wellenbereiche
- Wellen in den Bemerkungen.
- Betriebsart / Volt
- Wechselstromspeisung / 60 Hz, 117V = 110 -120 Volt
- Lautsprecher
- Dynamischer LS, keine Erregerspule (permanentdynamisch)
- Material
- Gerät mit Holzgehäuse
- von Radiomuseum.org
- Modell: 36R45 Ch= 21C1 - Admiral brand Continental
- Form
- Standgerät auf niedrigen Beinen (Beine < 50 % der Gesamthöhe).
- Bemerkung
-
Admiral model 36R45 is a 21” b/w TV with US standard VHF tuner channels 2 thru 13.
Equipped with chassis 21C1, radio chassis 5D2, a VHF tuner and and picture tube 16RP4 or 16TP4.
- Literatur/Schema (1)
- Photofact Folder, Howard W. SAMS (Set 118, Folder 2 dated 12-50)
- Literatur/Schema (2)
- Photofact Folder, Howard W. SAMS (Set 144, folder 1, dated 9-51)
- Autor
- Modellseite von Dirk Taekels angelegt. Siehe bei "Änderungsvorschlag" für weitere Mitarbeit.
- Weitere Modelle
-
Hier finden Sie 3229 Modelle, davon 1333 mit Bildern und 2599 mit Schaltbildern.
Alle gelisteten Radios usw. von Admiral (brand) Continental Radio & Television Co.; Chicago, IL