37M27 Ch= 21Z1 Runs 1 thru 26
Admiral (brand) Continental Radio & Television Co.; Chicago, IL
- Pays
- Etats-Unis
- Fabricant / Marque
- Admiral (brand) Continental Radio & Television Co.; Chicago, IL
- Année
- 1952 ?
- Catégorie
- Récepteur de télévision ou moniteur
- Radiomuseum.org ID
- 357167
-
- alternative name: Continental Radio & TV
Cliquez sur la vignette du schéma pour le demander en tant que document gratuit.
- No. de tubes
- 23
- Lampes / Tubes
- 6BK7 or 6BQ7 6J6 6AU6 6AU6 6AG5 6AC7 6AU6 6AU6 6AL5 6AV6 6V6GT 12AU7 6SN7GT 6S4 6AL5 6SN7GT 6BQ6GT or 6CD6G 6W4GT 1B3GT 5U4G 6BE6 6BA6 17BP4A
- Principe général
- Super hétérodyne avec étage HF
- Gammes d'ondes
- Bandes en notes
- Tension / type courant
- Alimentation Courant Alternatif (CA) / 60Hz, 117V=110-120 Volt
- Haut-parleur
- HP dynamique à aimant permanent + bobine mobile / Ø 10 inch = 25.4 cm
- Matière
- Boitier en bois
- De Radiomuseum.org
- Modèle: 37M27 Ch= 21Z1 Runs 1 thru 26 - Admiral brand Continental
- Forme
- Console avec pieds bas < 50% de la hauteur
- Remarques
-
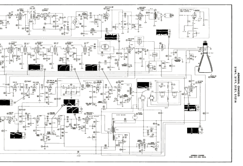
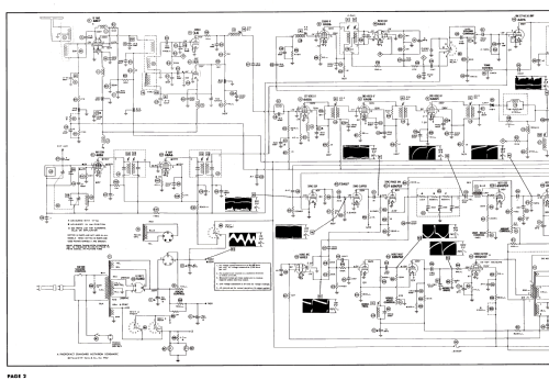
Admiral model 37M27 is a 17” b/w TV with US standard VHF tuner channels 2 thru 13. Equipped with chassis 21Z1, AM radio receiver, record changer RC550A or RC550GA, VHF tuner 94C37-1 and picture tube 17BP4A.
- Schémathèque (1)
- Photofact Folder, Howard W. SAMS (Set 177, folder 2, dated 8-52)
- Auteur
- Modèle crée par Dirk Taekels. Voir les propositions de modification pour les contributeurs supplémentaires.
- D'autres Modèles
-
Vous pourrez trouver sous ce lien 3227 modèles d'appareils, 1332 avec des images et 2597 avec des schémas.
Tous les appareils de Admiral (brand) Continental Radio & Television Co.; Chicago, IL