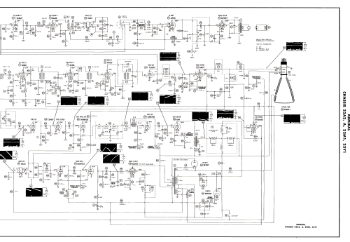
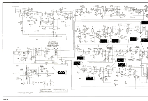
520M15 Ch= 22A2
Admiral (brand) Continental Radio & Television Co.; Chicago, IL
- Produttore / Marca
- Admiral (brand) Continental Radio & Television Co.; Chicago, IL
- Anno
- 1952 ?
- Categoria
- Televisore (TV) / Monitor
- Radiomuseum.org ID
- 357927
-
- alternative name: Continental Radio & TV
Clicca sulla miniatura dello schema per richiederlo come documento gratuito.
- Numero di tubi
- 24
- Valvole
- 6BQ7 or 6BK7 6J6 6CB6 6CB6 6AG5 12AU7 6AC7 6AU6 6AU6 6AL5 6AV6 6V6GT 12AU7 6SN7GT 6S4 6AL5 6SN7GT 6CD6G 6W4GT 1B3GT 5U4G 6BE6 6BA6 21EP4
- Principio generale
- Supereterodina con stadio RF
- Gamme d'onda
- Gamme d'onda nelle note.
- Tensioni di funzionamento
- Alimentazione a corrente alternata (CA) / 60Hz, 117V=110-120 Volt
- Altoparlante
- AP magnetodinamico (magnete permanente e bobina mobile) / Ø 10 inch = 25.4 cm
- Materiali
- Mobile in legno
- Radiomuseum.org
- Modello: 520M15 Ch= 22A2 - Admiral brand Continental
- Forma
- Console di qualsiasi tipo
- Annotazioni
-
Admiral model 520M15 is a 21” b/w TV with US standard VHF tuner channels 2 thru 13. Equipped with chassis 22A2, AM-TV- combination, VHF tuner 94D45-1 and picture tube 21EP4.
- Letteratura / Schemi (1)
- Photofact Folder, Howard W. SAMS (Set 180, folder 2, dated 9-52)
- Autore
- Modello inviato da Dirk Taekels. Utilizzare "Proponi modifica" per inviare ulteriori dati.
- Altri modelli
-
In questo link sono elencati 3229 modelli, di cui 1333 con immagini e 2599 con schemi.
Elenco delle radio e altri apparecchi della Admiral (brand) Continental Radio & Television Co.; Chicago, IL