57M11 Ch= 21Z1A Runs 1 thru 26
Admiral (brand) Continental Radio & Television Co.; Chicago, IL
- País
- Estados Unidos
- Fabricante / Marca
- Admiral (brand) Continental Radio & Television Co.; Chicago, IL
- Año
- 1952 ?
- Categoría
- Televisión (TV) o monitor
- Radiomuseum.org ID
- 357221
-
- alternative name: Continental Radio & TV
Haga clic en la miniatura esquemática para solicitarlo como documento gratuito.
- Numero de valvulas
- 23
- Válvulas
- 6BK7 or 6BQ7 6J6 6AU6 6AU6 6AG5 6AC7 6AU6 6AU6 6AL5 6AV6 6V6GT 12AU7 6SN7GT 6S4 6AL5 6SN7GT 6BQ6GT or 6CD6G 6W4GT 1B3GT 5U4G 6BE6 6BA6 17BP4A
- Principio principal
- Superheterodino con paso previo de RF
- Gama de ondas
- Bandas de recepción puestas en notas.
- Tensión de funcionamiento
- Red: Corriente alterna (CA, Inglés = AC) / 60Hz, 117V=110-120 Volt
- Altavoz
- Altavoz dinámico (de imán permanente) / Ø 10 inch = 25.4 cm
- Material
- Madera
- de Radiomuseum.org
- Modelo: 57M11 Ch= 21Z1A Runs 1 thru 26 - Admiral brand Continental
- Forma
- Consola baja, patas más cortas del 50%.
- Anotaciones
-
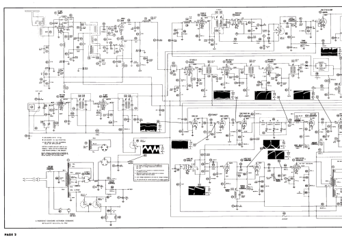
Admiral model 57M11 is a 17” b/w TV with US standard VHF tuner channels 2 thru 13. Equipped with chassis 21Z1A, AM radio receiver, VHF tuner 94C37-1 and picture tube 17BP4A.
- Documentación / Esquemas (1)
- Photofact Folder, Howard W. SAMS (Set 177, folder 2, dated 8-52)
- Autor
- Modelo creado por Dirk Taekels. Ver en "Modificar Ficha" los participantes posteriores.
- Otros modelos
-
Donde encontrará 3229 modelos, 1333 con imágenes y 2599 con esquemas.
Ir al listado general de Admiral (brand) Continental Radio & Television Co.; Chicago, IL