57M17 Ch= 21Z1 Runs 1 thru 26
Admiral (brand) Continental Radio & Television Co.; Chicago, IL
- Country
- United States of America (USA)
- Manufacturer / Brand
- Admiral (brand) Continental Radio & Television Co.; Chicago, IL
- Year
- 1952 ?
- Category
- Television Receiver (TV) or Monitor
- Radiomuseum.org ID
- 357219
-
- alternative name: Continental Radio & TV
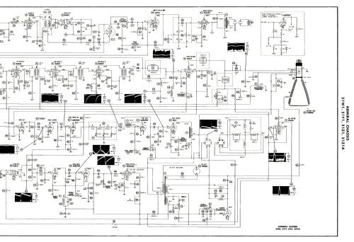
Click on the schematic thumbnail to request the schematic as a free document.
- Number of Tubes
- 23
- Valves / Tubes
- 6BK7 or 6BQ7 6J6 6AU6 6AU6 6AG5 6AC7 6AU6 6AU6 6AL5 6AV6 6V6GT 12AU7 6SN7GT 6S4 6AL5 6SN7GT 6BQ6GT or 6CD6G 6W4GT 1B3GT 5U4G 6BE6 6BA6 17BP4A
- Main principle
- Superhet with RF-stage
- Wave bands
- Wave Bands given in the notes.
- Power type and voltage
- Alternating Current supply (AC) / 60Hz, 117V=110-120 Volt
- Loudspeaker
- Permanent Magnet Dynamic (PDyn) Loudspeaker (moving coil) / Ø 10 inch = 25.4 cm
- Material
- Wooden case
- from Radiomuseum.org
- Model: 57M17 Ch= 21Z1 Runs 1 thru 26 - Admiral brand Continental
- Shape
- Console, Lowboy (legs < 50 %).
- Notes
-
Admiral model 57M17 is a 17” b/w TV with US standard VHF tuner channels 2 thru 13. Equipped with chassis 21Z1, AM radio receiver, VHF tuner 94C37-1 and picture tube 17BP4A.
- Literature/Schematics (1)
- Photofact Folder, Howard W. SAMS (Set 177, folder 2, dated 8-52)
- Author
- Model page created by Dirk Taekels. See "Data change" for further contributors.
- Other Models
-
Here you find 3229 models, 1333 with images and 2599 with schematics for wireless sets etc. In French: TSF for Télégraphie sans fil.
All listed radios etc. from Admiral (brand) Continental Radio & Television Co.; Chicago, IL