- País
- Estados Unidos
- Fabricante / Marca
- Admiral (brand) Continental Radio & Television Co.; Chicago, IL
- Año
- 1959

- Categoría
- Radio - o Sintonizador pasado WW2
- Radiomuseum.org ID
- 139966
-
- alternative name: Continental Radio & TV
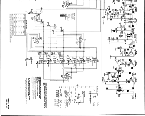
Haga clic en la miniatura esquemática para solicitarlo como documento gratuito.
- Numero de transistores
- 9
- Principio principal
- Superheterodino en general; ZF/IF 455 kHz; 3 Etapas de AF
- Número de circuitos sintonía
- 9 Circuíto(s) AM
- Gama de ondas
- OM, OL y más de dos OC
- Tensión de funcionamiento
- Pilas / 12 Volt
- Altavoz
- Altavoz elíptico de imán permanente.
- de Radiomuseum.org
- Modelo: 909 Ch= 9G1 - Admiral brand Continental
- Forma
- Portátil > 20 cm (sin la necesidad de una red)
- Ancho, altura, profundidad
- 310 x 220 x 125 mm / 12.2 x 8.7 x 4.9 inch
- Anotaciones
-
Battery operated 9 - Band transistorized portable receiver. Oval speaker 4" × 6".
Metallchasis
Metallgehäuse mit Kunstleder bezogen
- Peso neto
- 5.7 kg / 12 lb 8.9 oz (12.555 lb)
- Precio durante el primer año
- 275.00 USD
- Documentación / Esquemas (1)
- Photofact Folder, Howard W. SAMS (Set 502 folder 4 date 10-60)
- Documentación / Esquemas (2)
- -- Original prospect or advert (National Geographic, 1959 November with picture, new announcement.)
- Autor
- Modelo creado por Peter Hoddow. Ver en "Modificar Ficha" los participantes posteriores.
- Otros modelos
-
Donde encontrará 3229 modelos, 1333 con imágenes y 2599 con esquemas.
Ir al listado general de Admiral (brand) Continental Radio & Television Co.; Chicago, IL