Ch= 4S2A & 4S2B
Admiral (brand) Continental Radio & Television Co.; Chicago, IL
- Country
- United States of America (USA)
- Manufacturer / Brand
- Admiral (brand) Continental Radio & Television Co.; Chicago, IL
- Year
- 1958 ?
- Category
- Audio Amplifier or -mixer
- Radiomuseum.org ID
- 183907
-
- alternative name: Continental Radio & TV
Click on the schematic thumbnail to request the schematic as a free document.
- Number of Tubes
- 4
- Main principle
- Audio-Amplification
- Wave bands
- - without
- Power type and voltage
- Alternating Current supply (AC) / 110 - 120 Volt
- Loudspeaker
- - This model requires external speaker(s).
- Material
- Metal case
- from Radiomuseum.org
- Model: Ch= 4S2A & 4S2B - Admiral brand Continental
- Shape
- Chassis only or for «building in»
- Notes
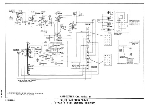
- Amplifier Chassis for Admiral TV-Models HFA21, HFR21 and HF21 Series.
- Literature/Schematics (1)
- Photofact Folder, Howard W. SAMS (Date 6-58, Set 404, Folder 1)
- Author
- Model page created by Egon Penker. See "Data change" for further contributors.
- Other Models
-
Here you find 3229 models, 1333 with images and 2599 with schematics for wireless sets etc. In French: TSF for Télégraphie sans fil.
All listed radios etc. from Admiral (brand) Continental Radio & Television Co.; Chicago, IL