CU2225Z Ch= 22B3Z
Admiral (brand) Continental Radio & Television Co.; Chicago, IL
- Pays
- Etats-Unis
- Fabricant / Marque
- Admiral (brand) Continental Radio & Television Co.; Chicago, IL
- Année
- 1954
- Catégorie
- Récepteur de télévision ou moniteur
- Radiomuseum.org ID
- 113670
-
- alternative name: Continental Radio & TV
Cliquez sur la vignette du schéma pour le demander en tant que document gratuit.
- No. de tubes
- 22
- Lampes / Tubes
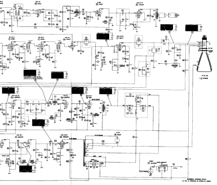
- 6BZ7 6J6 6CB6 6AU6 12AT7 12BY7 6AU6 6AL5 6AV6 6V6GT 6CS6 6SN7GT 6S4 6BQ6GT 6AX4GT 1B3GT 5U4G
- Principe général
- Super hétérodyne (en général)
- Gammes d'ondes
- Bandes en notes
- Tension / type courant
- Alimentation Courant Alternatif (CA) / 110 - 120 Volt
- Haut-parleur
- HP dynamique à aimant permanent + bobine mobile / Ø 5 inch = 12.7 cm
- Matière
- Boitier en bois
- De Radiomuseum.org
- Modèle: CU2225Z Ch= 22B3Z - Admiral brand Continental
- Forme
- Console avec pieds hauts > 50% de la hauteur
- Remarques
- Some tubes are repeatedly present.
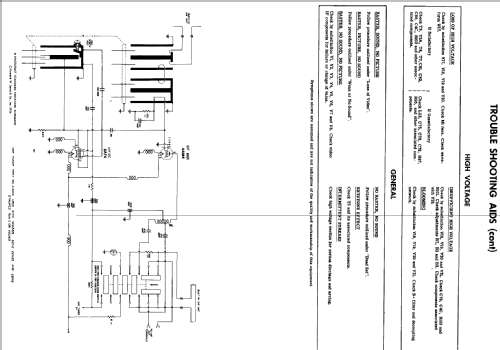
- Source du schéma
- Photofact Folder, Howard W. SAMS
- Auteur
- Modèle crée par Peter Hoddow. Voir les propositions de modification pour les contributeurs supplémentaires.
- D'autres Modèles
-
Vous pourrez trouver sous ce lien 3229 modèles d'appareils, 1333 avec des images et 2599 avec des schémas.
Tous les appareils de Admiral (brand) Continental Radio & Television Co.; Chicago, IL