K2367Z Ch= 20X5GZ
Admiral (brand) Continental Radio & Television Co.; Chicago, IL
- Land
- USA
- Hersteller / Marke
- Admiral (brand) Continental Radio & Television Co.; Chicago, IL
- Jahr
- 1955 ?
- Kategorie
- Fernseh-Empfänger/Monitor
- Radiomuseum.org ID
- 332458
-
- anderer Name: Continental Radio & TV
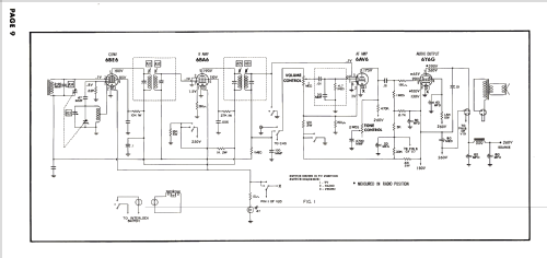
Klicken Sie auf den Schaltplanausschnitt, um diesen kostenlos als Dokument anzufordern.
- Hauptprinzip
- Super mit HF-Vorstufe
- Betriebsart / Volt
- Wechselstromspeisung / 60 Hz, 117V = 110 -120 Volt
- Lautsprecher
- Dynamischer LS, keine Erregerspule (permanentdynamisch)
- von Radiomuseum.org
- Modell: K2367Z Ch= 20X5GZ - Admiral brand Continental
- Literatur/Schema (1)
- Photofact Folder, Howard W. SAMS (Set 302 Folder 1 Production Changes Bulletin 142 dated 1-56)
- Autor
- Modellseite von Dirk Taekels angelegt. Siehe bei "Änderungsvorschlag" für weitere Mitarbeit.
- Weitere Modelle
-
Hier finden Sie 3227 Modelle, davon 1332 mit Bildern und 2597 mit Schaltbildern.
Alle gelisteten Radios usw. von Admiral (brand) Continental Radio & Television Co.; Chicago, IL