T173AL Ch= 14YP3DM
Admiral (brand) Continental Radio & Television Co.; Chicago, IL
- País
- Estados Unidos
- Fabricante / Marca
- Admiral (brand) Continental Radio & Television Co.; Chicago, IL
- Año
- 1957 ?
- Categoría
- Televisión (TV) o monitor
- Radiomuseum.org ID
- 313790
-
- alternative name: Continental Radio & TV
Haga clic en la miniatura esquemática para solicitarlo como documento gratuito.
- Numero de valvulas
- 14
- Principio principal
- Superheterodino con paso previo de RF
- Gama de ondas
- Bandas de recepción puestas en notas.
- Tensión de funcionamiento
- Red: Corriente alterna (CA, Inglés = AC) / 60 Hz, 117V = 110 -120 Volt
- Altavoz
- Altavoz dinámico (de imán permanente) / Ø 4 inch = 10.2 cm
- Material
- Plástico moderno (Nunca bakelita o catalina)
- de Radiomuseum.org
- Modelo: T173AL Ch= 14YP3DM - Admiral brand Continental
- Forma
- Sobremesa de cualquier forma, detalles no conocidos.
- Anotaciones
-
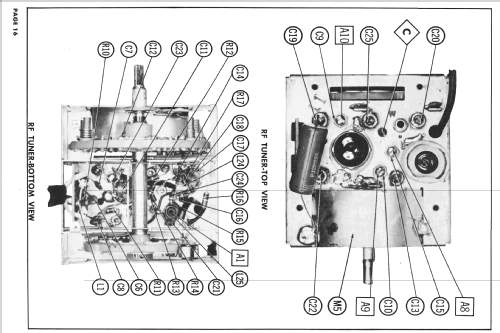
Admiral model T173AL is a 17" b/w TV with US standard VHF tuner channels 2 thru 13. Equipped with chassis 14YP3DM, VHF tuner 94D128-1 and picture tube 17AVP4A.
- Documentación / Esquemas (1)
- Photofact Folder, Howard W. SAMS (Set 370 Folder 1 dated 9-57)
- Autor
- Modelo creado por Dirk Taekels. Ver en "Modificar Ficha" los participantes posteriores.
- Otros modelos
-
Donde encontrará 3229 modelos, 1332 con imágenes y 2597 con esquemas.
Ir al listado general de Admiral (brand) Continental Radio & Television Co.; Chicago, IL