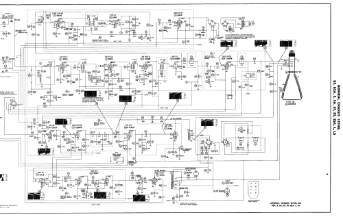
T2307D Ch= 18Y4B
Admiral (brand) Continental Radio & Television Co.; Chicago, IL
- Land
- USA
- Hersteller / Marke
- Admiral (brand) Continental Radio & Television Co.; Chicago, IL
- Jahr
- 1956 ?
- Kategorie
- Fernseh-Empfänger/Monitor
- Radiomuseum.org ID
- 300662
-
- anderer Name: Continental Radio & TV
Klicken Sie auf den Schaltplanausschnitt, um diesen kostenlos als Dokument anzufordern.
- Anzahl Röhren
- 18
- Röhren
- 6BZ7 6J6 6BZ6 6BZ6 6AM8 6AW8 6AU6 6AL5 6AS5 12AU7 6S4A 6AL5 12AU7 6CU6 6AU4GT 1B3GT 5U4GB 21ALP4A
- Hauptprinzip
- Super mit HF-Vorstufe
- Wellenbereiche
- VHF/UHF (siehe Bemerkungen)
- Betriebsart / Volt
- Wechselstromspeisung / 60 cycles, 117V = 110 -120 Volt
- Lautsprecher
- Dynamischer LS, keine Erregerspule (permanentdynamisch)
- Material
- Gerät mit Holzgehäuse
- von Radiomuseum.org
- Modell: T2307D Ch= 18Y4B - Admiral brand Continental
- Form
- Tischmodell, Zusatz nicht bekannt - allgemein.
- Bemerkung
-
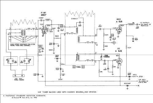
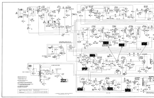
ADMIRAL model T2307D is a 21" b/w TV with US standard VHF tuner channels 2 thru 13. Equipped with chassis 18Y4B , VHF tuner 94D92-8 and picture tube 21ALP4A.
- Literatur/Schema (1)
- Photofact Folder, Howard W. SAMS (Set 320 Folder 2 dated 6-56)
- Autor
- Modellseite von Dirk Taekels angelegt. Siehe bei "Änderungsvorschlag" für weitere Mitarbeit.
- Weitere Modelle
-
Hier finden Sie 3229 Modelle, davon 1333 mit Bildern und 2599 mit Schaltbildern.
Alle gelisteten Radios usw. von Admiral (brand) Continental Radio & Television Co.; Chicago, IL