- Pays
- Etats-Unis
- Fabricant / Marque
- Admiral (brand) Continental Radio & Television Co.; Chicago, IL
- Année
- 1966 ??
- Catégorie
- Radio - ou tuner d'après la guerre 1939-45
- Radiomuseum.org ID
- 95301
-
- alternative name: Continental Radio & TV
Cliquez sur la vignette du schéma pour le demander en tant que document gratuit.
- No. de transistors
- 7
- Semi-conducteurs
- Principe général
- Super hétérodyne (en général); FI/IF 455/10700 kHz
- Gammes d'ondes
- PO et FM
- Tension / type courant
- Alimentation Courant Alternatif (CA) / 120 Volt
- Haut-parleur
- HP dynamique à aimant permanent + bobine mobile
- De Radiomuseum.org
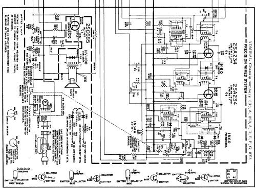
- Modèle: YRC843 Ch=8R3 - Admiral brand Continental
- Remarques
- Other used Chassis: 8R3A; 8S3, A, D, E, F, G; 8Y3.
Clock M3 used only in 8R3A and 8S3A Chassis.
- Source du schéma
- Beitman Radio Diagrams Vol. 27, 1967-69 (last vol.)
- Auteur
- Modèle crée par Egon Penker. Voir les propositions de modification pour les contributeurs supplémentaires.
- D'autres Modèles
-
Vous pourrez trouver sous ce lien 3229 modèles d'appareils, 1333 avec des images et 2599 avec des schémas.
Tous les appareils de Admiral (brand) Continental Radio & Television Co.; Chicago, IL