Super-Geador 605GLK
AEG (Radios) Allg.Elektricitäts-Ges.
- Pays
- Allemagne
- Fabricant / Marque
- AEG (Radios) Allg.Elektricitäts-Ges.
- Année
- 1933/1934
- Catégorie
- Radio - ou tuner d'après la guerre 1939-45
- Radiomuseum.org ID
- 130
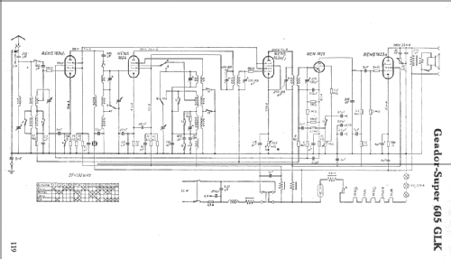
Cliquez sur la vignette du schéma pour le demander en tant que document gratuit.
- No. de tubes
- 5
- Principe général
- Super hétérodyne avec étage HF; FI/IF 132 kHz
- Circuits accordés
- 7 Circuits MA (AM)
- Gammes d'ondes
- PO, GO et OC
- Tension / type courant
- Alimentation Courant Continu (CC) / 220 Volt
- Haut-parleur
- HP dynamique à électro-aimant (électrodynamique)
- Matière
- Boitier en bois
- De Radiomuseum.org
- Modèle: Super-Geador 605GLK - AEG Radios Allg.Elektricitäts-
- Forme
- Modèle de table vertical (pas forme catédrale)
- Dimensions (LHP)
- 425 x 483 x 292 mm / 16.7 x 19 x 11.5 inch
- Remarques
- Schattenzeiger
- Prix de mise sur le marché
- 416.00 RM !
- Source
- Radio-Zentrale Prohaska 1933/34 / Radiokatalog Band 1, Ernst Erb
- Source du schéma
- Lange+Schenk+FS-Röhrenbestückung
- Littérature
- AEG Hilfsbuch für den Funkhändler
- Index des illustrations
- Das Modell ist im «Radiokatalog» (Erb) abgebildet.
- D'autres Modèles
-
Vous pourrez trouver sous ce lien 847 modèles d'appareils, 737 avec des images et 421 avec des schémas.
Tous les appareils de AEG (Radios) Allg.Elektricitäts-Ges.