530B Ch= 506
Airzone (1931) Ltd.; Sydney
- Land
- Australien
- Hersteller / Marke
- Airzone (1931) Ltd.; Sydney
- Jahr
- 1934
- Kategorie
- Rundfunkempfänger (Radio - oder Tuner nach WW2)
- Radiomuseum.org ID
- 164190
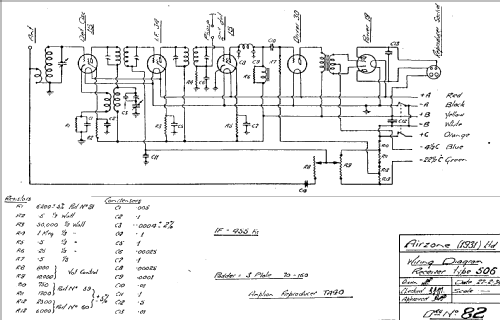
Klicken Sie auf den Schaltplanausschnitt, um diesen kostenlos als Dokument anzufordern.
- Anzahl Röhren
- 5
- Hauptprinzip
- Superhet allgemein; ZF/IF 456 kHz; 2 NF-Stufe(n); Anodengleichrichtung
- Anzahl Kreise
- 6 Kreis(e) AM
- Wellenbereiche
- Mittelwelle, keine anderen.
- Betriebsart / Volt
- Akku und/oder Batterie
- Lautsprecher
- Dynamischer LS, keine Erregerspule (permanentdynamisch)
- Material
- Gerät mit Holzgehäuse
- von Radiomuseum.org
- Modell: 530B Ch= 506 - Airzone 1931 Ltd.; Sydney
- Form
- Standgerät auf niedrigen Beinen (Beine < 50 % der Gesamthöhe).
- Originalpreis
- 30.00 Aus£
- Autor
- Modellseite von Stuart Irwin angelegt. Siehe bei "Änderungsvorschlag" für weitere Mitarbeit.
- Weitere Modelle
-
Hier finden Sie 283 Modelle, davon 134 mit Bildern und 154 mit Schaltbildern.
Alle gelisteten Radios usw. von Airzone (1931) Ltd.; Sydney
Sammlungen
Das Modell 530B befindet sich in den Sammlungen folgender Mitglieder.