562 562 Ch= 522
Airzone (1931) Ltd.; Sydney
- Paese
- Australia
- Produttore / Marca
- Airzone (1931) Ltd.; Sydney
- Anno
- 1937
- Categoria
- Radio (o sintonizzatore del dopoguerra WW2)
- Radiomuseum.org ID
- 166358
Clicca sulla miniatura dello schema per richiederlo come documento gratuito.
- Numero di tubi
- 5
- Principio generale
- Supereterodina (in generale); ZF/IF 456 kHz; 2 Stadi BF
- N. di circuiti accordati
- 8 Circuiti Mod. Amp. (AM)
- Gamme d'onda
- Onde medie (OM) e corte (OC).
- Tensioni di funzionamento
- Batteria di accumulatori, per tutto (es. autoradio, radio amatoriali) / 6 Volt
- Altoparlante
- AP magnetodinamico (magnete permanente e bobina mobile) / Ø 8 inch = 20.3 cm
- Materiali
- Mobile in legno
- Radiomuseum.org
- Modello: 562 562 Ch= 522 - Airzone 1931 Ltd.; Sydney
- Forma
- Console, con gambe d'appoggio basse (< 50%).
- Annotazioni
- Uses synchronous vibrator power supply.
- Prezzo nel primo anno
- 37.80 AUS £
- Riferimenti schemi
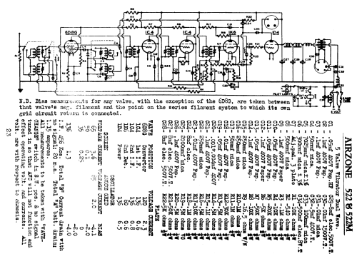
- Australian Official Radio Service Manual Vol. I I
- Letteratura / Schemi (1)
- Radio Trade Annual of Australia (7th Edition 1939, Page 195.)
- Letteratura / Schemi (2)
- Australian Official Radio Service Manual AORSM (Volume 2, 1939, Page 23.)
- Autore
- Modello inviato da Stuart Irwin. Utilizzare "Proponi modifica" per inviare ulteriori dati.
- Altri modelli
-
In questo link sono elencati 283 modelli, di cui 134 con immagini e 154 con schemi.
Elenco delle radio e altri apparecchi della Airzone (1931) Ltd.; Sydney