909 Ch= 900
Airzone (1931) Ltd.; Sydney
- Pays
- Australie
- Fabricant / Marque
- Airzone (1931) Ltd.; Sydney
- Année
- 1933
- Catégorie
- Radio - ou tuner d'après la guerre 1939-45
- Radiomuseum.org ID
- 164155
Cliquez sur la vignette du schéma pour le demander en tant que document gratuit.
- No. de tubes
- 9
- Principe général
- Super hétérodyne avec étage HF; FI/IF 175 kHz; 2 Etage(s) BF
- Circuits accordés
- 7 Circuits MA (AM)
- Gammes d'ondes
- PO uniquement
- Tension / type courant
- Alimentation Courant Alternatif (CA) / 200-230; 230-250 Volt
- Haut-parleur
- 2 HP
- Matière
- Boitier en bois
- De Radiomuseum.org
- Modèle: 909 Ch= 900 - Airzone 1931 Ltd.; Sydney
- Forme
- Console avec pieds bas < 50% de la hauteur
- Remarques
-
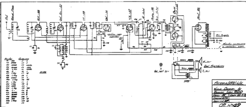
Autodyne frequency changer. First type 56 connected as diode detector. Second type 57 used as noise suppressor.
As shown in the schematic this radio has two electromagnetic speakers connected in parallel.
One 10 inch and one 7 inch.
- Prix de mise sur le marché
- 49.50 Aus£
- Auteur
- Modèle crée par Stuart Irwin. Voir les propositions de modification pour les contributeurs supplémentaires.
- D'autres Modèles
-
Vous pourrez trouver sous ce lien 283 modèles d'appareils, 134 avec des images et 154 avec des schémas.
Tous les appareils de Airzone (1931) Ltd.; Sydney