Splash Proof AM/FM Hangable Bath and Shower Radio FR-C70
Aiwa Co. Ltd.; Tokyo
- País
- Japon
- Fabricante / Marca
- Aiwa Co. Ltd.; Tokyo
- Año
- 1995 ??
- Categoría
- Radio - o Sintonizador pasado WW2
- Radiomuseum.org ID
- 314616
Haga clic en la miniatura esquemática para solicitarlo como documento gratuito.
- Numero de transistores
- 3
- Principio principal
- Superheterodino en general
- Gama de ondas
- OM y FM
- Tensión de funcionamiento
- Pilas / AA: 2 x 1.5 Volt
- Altavoz
- Altavoz dinámico (de imán permanente) / Ø 8.5 cm = 3.3 inch
- Potencia de salida
- 0.19 W (max.)
- Material
- Plástico moderno (Nunca bakelita o catalina)
- de Radiomuseum.org
- Modelo: Splash Proof AM/FM Hangable Bath and Shower Radio FR-C70 - Aiwa Co. Ltd.; Tokyo
- Forma
- Portátil de bolsillo , menor de 20cm.
- Ancho, altura, profundidad
- 172 x 132 x 56 mm / 6.8 x 5.2 x 2.2 inch
- Anotaciones
-
See also Aiwa FR-C75 with LW and FM reception.
- Peso neto
- 0.470 kg / 1 lb 0.6 oz (1.035 lb)
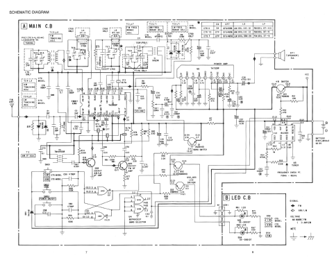
- Documentación / Esquemas (1)
- -- Original-techn. papers.
- Autor
- Modelo creado por Günter Heppe. Ver en "Modificar Ficha" los participantes posteriores.
- Otros modelos
-
Donde encontrará 944 modelos, 895 con imágenes y 172 con esquemas.
Ir al listado general de Aiwa Co. Ltd.; Tokyo
Colecciones
El modelo Splash Proof AM/FM Hangable Bath and Shower Radio es parte de las colecciones de los siguientes miembros.