- Country
- United States of America (USA)
- Manufacturer / Brand
- All American Mohawk, Rauland Lyric; Chicago, IL
- Year
- 1931
- Category
- Broadcast Receiver - or past WW2 Tuner
- Radiomuseum.org ID
- 31906
-
- alternative name: All American Electrical Manufacturers || All-American Radio || American Mohawk || Mohawk Corporation of Illinois || Mohawk Electric Corporation || Rauland Mfg.Co.
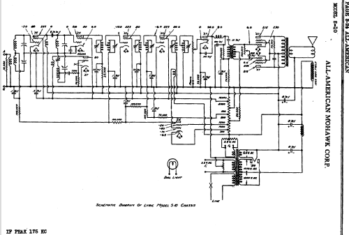
Click on the schematic thumbnail to request the schematic as a free document.
- Number of Tubes
- 10
- Main principle
- Superheterodyne (common); ZF/IF 175 kHz
- Wave bands
- Broadcast only (MW).
- Power type and voltage
- Alternating Current supply (AC)
- Loudspeaker
- Permanent or electro-dynamic (moving coil), system not known yet.
- Material
- Wooden case
- from Radiomuseum.org
- Model: S10 [var1] - All American Mohawk, Rauland
- Shape
- Console with any shape - in general
- Notes
- One 24A tube used only for AVC.
- Price in first year of sale
- 139.00 $
- External source of data
- Ernst Erb
- Source of data
- Radio Collector`s Guide 1921-1932
- Circuit diagram reference
- Rider's Perpetual, Volume 3 = 1933 and before
- Literature/Schematics (1)
- RCA Radio Set Socket Layout 1921 to 1935
- Other Models
-
Here you find 205 models, 78 with images and 92 with schematics for wireless sets etc. In French: TSF for Télégraphie sans fil.
All listed radios etc. from All American Mohawk, Rauland Lyric; Chicago, IL