- Produttore / Marca
- All American Mohawk, Rauland Lyric; Chicago, IL
- Anno
- 1926/1927
- Categoria
- Radio (o sintonizzatore del dopoguerra WW2)
- Radiomuseum.org ID
- 31927
-
- alternative name: All American Electrical Manufacturers || All-American Radio || American Mohawk || Mohawk Corporation of Illinois || Mohawk Electric Corporation || Rauland Mfg.Co.
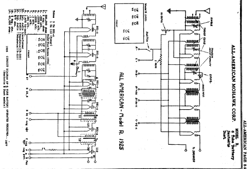
Clicca sulla miniatura dello schema per richiederlo come documento gratuito.
- Numero di tubi
- 6
- Principio generale
- A circuiti accordati (amplif. diretta) senza reazione
- N. di circuiti accordati
- 3 Circuiti Mod. Amp. (AM)
- Gamme d'onda
- Solo onde medie (OM).
- Tensioni di funzionamento
- Alimentazione a corrente alternata (CA)
- Altoparlante
- AP presumibilmente dinamico (bobina mobile)
- Materiali
- Mobile in legno
- Radiomuseum.org
- Modello: Sextet [old] - All American Mohawk, Rauland
- Forma
- Console, con gambe d'appoggio basse (< 50%).
- Annotazioni
-
Desk-type floor cabinet. One dial (primary tuning control knob). Built in speaker is an All-American Reproducer.
- Prezzo nel primo anno
- 175.00 $
- Fonte esterna dei dati
- Ernst Erb
- Fonte dei dati
- Radio Collector`s Guide 1921-1932
- Riferimenti schemi
- Rider's Perpetual, Volume 3 = 1933 and before
- Altri modelli
-
In questo link sono elencati 205 modelli, di cui 78 con immagini e 92 con schemi.
Elenco delle radio e altri apparecchi della All American Mohawk, Rauland Lyric; Chicago, IL